Honda 2001 Wiring diagrams78-1
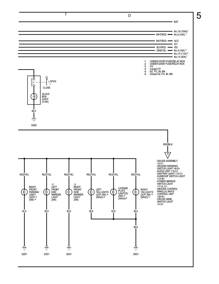
Exterior Lights (With Front Fog Lights, Without Front Fog Lights or Rear Fog Light) (cont'd) 78-21
Previous Page Next Page



Exterior Lights (With Front Fog Lights, Without Front Fog Lights or Rear Fog Light) (cont'd) 78-21




Honda 2001 Wiring diagrams78-1
Exterior Lights (With Front Fog Lights, Without Front Fog Lights or Rear Fog Light) (cont'd) 78-21
Previous Page Next Page