Honda 2001 Body Electrical22A-1
Power Windows 22A-143
Previous Page Next Page



Power Windows 22A-143

Component Location Index

NOTE: LHD type is shown, RHD type is similar.


1

UNDER-DASH FUSE/RELAY BOX

2

POWER WINDOW RELAY

Test, page 22A-62

3

FRONT PASSENGER'S WINDOW MOTOR

Test, page 22A-175

4

FRONT PASSENGER'S WINDOW SWITCH

Test, page 22A-170 ; Replacement, page 22A-170

5

LEFT REAR WINDOW SWITCH

Test, page 22A-170 ; Replacement, page 22A-170

6

RIGHT REAR WINDOW MOTOR

Test, page 22A-175

7

RIGHT REAR WINDOW SWITCH

Test, page 22A-170 ; Replacement, page 22A-170

8

LEFT REAR WINDOW MOTOR

Test, page 22A-175

9

POWER WINDOW MASTER SWITCH

Input Test, page 22A-164 ; Test, page 22A-168 ; Replacement, page 22A-164 *1 Resetting the Power Window Control Unit, page 22A-176

10

DRIVER'S WINDOW MOTOR

Test, page 22A-172




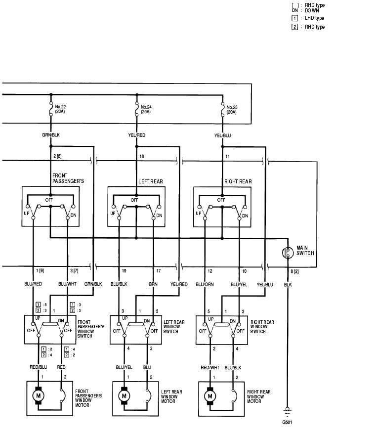
Circuit Diagram - With UP-AUTO Function 22A-144


22A-145


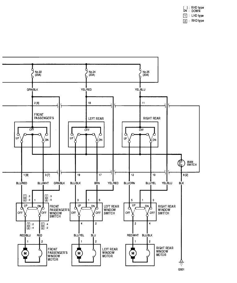
Circuit Diagram - Without UP-AUTO Function 22A-146


22A-147


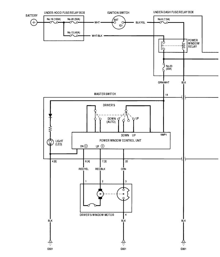
Master Switch Input Test - With UP-AUTO Function 22A-148

NOTE: The power window control unit is built into the power window master switch, and it only controls the driver's window operations.

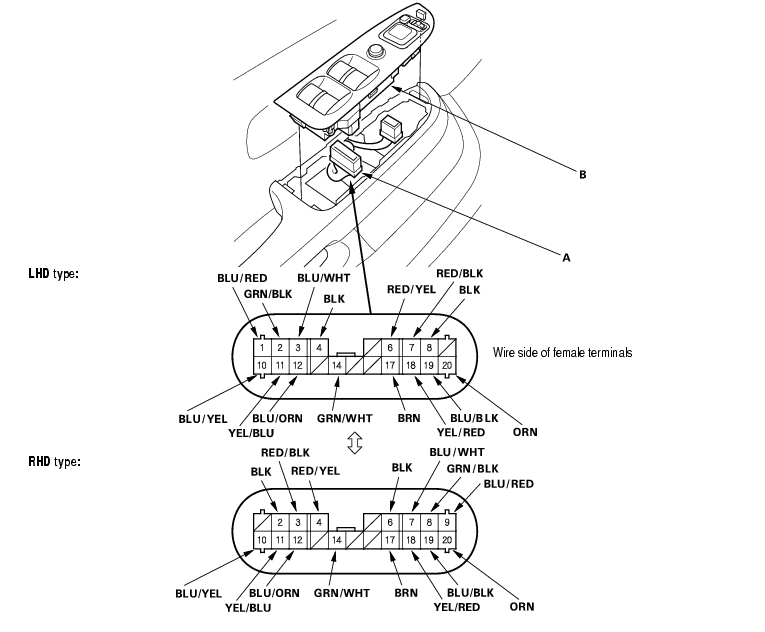
  1. Remove the switch panel from the door panel (see page 20-9) .
  2. Disconnect the 20P connector (A) from the master switch (B).


  3. Inspect the connector and socket terminals to be sure they are all making good contact.
  4. If the terminals are bent, loose or corroded, repair them as necessary, and recheck the system.
  5. If the terminals look OK, make the following input tests at the connector.
  6. If a test indicates a problem, find and correct the cause, then recheck the system.
  7. If all the input tests prove OK, go to step 4.

22A-149

  1. Reconnect the 20P connector to the switch, and perform the following input tests.
  2. If any test indicates a problem, find and correct the cause, then recheck the system.
  3. If all the input tests prove OK, go to step 5.

    Cavity

    Wire

    Test condition

    Test: Desired result

    Possible cause if result is not obtained

    4[6] BLK Ignition switch ON (II), and the master switch ON Check for voltage to ground: There should be less than 1 V.
  4. Poor ground (G501)
  5. An open in the wire
  6. 8[2]
    14 GRN/WHT Under all conditions Check for voltage to ground: There should be battery voltage.
  7. Blown No. 23 (20A) fuse in the under-dash fuse/relay box
  8. An open in the wire
  9. 5 YEL/GRN Ignition switch ON (II) Check for voltage to ground: There should be battery voltage.
  10. Blown No. 6 (7.5A) fuse in the under-dash fuse/relay box
  11. Blown No. 22, 24 or 25 (20A) fuse in the under-dash fuse/relay box
  12. Faulty power window relay
  13. An open in the wire
  14. 2[8] GRN/BLK
    18 YEL/RED
    11 YEL/BLU
    6[4] RED/YEL Connect the No. 14 and No. 6 [No. 4] terminals, and the No. 7 [No. 3] and No. 4 [No. 6] terminals, and turn the ignition switch ON (II). Check for driver's window motor operation: It should run (the driver's window moves down).
  15. Faulty driver's window motor
  16. An open in the wire
  17. 7[3] RED/BLK
    1[9] BLU/RED Connect the No. 2 and No. 3 [No. 7] terminals, and the No. 1 [No. 9] and No. 8 [No. 2] terminals, and turn the ignition switch ON (II). Check for front passenger's window motor operation: It should run (the front passenger's window moves down).
  18. Faulty front passenger's window motor
  19. Faulty front passenger's window switch
  20. An open in the wire
  21. 3[7] BLU/WHT
    19 BLU/BLK Connect the No. 18 and No. 17 terminals, and the No. 19 and No. 8[No. 2]terminals, and turn the ignition switch ON (II). Check for left rear window motor operation: It should run (the left rear window moves down).
  22. Faulty left rear window motor
  23. Faulty left rear window switch
  24. An open in the wire
  25. 17 BRN
    12 BLU/ORN Connect the No. 11 and No. 10 terminals, and the No. 12 and No. 8 [No. 2]terminals, and turn the ignition switch ON (II). Check for right rear window motor operation: It should run (the right rear window moves down).
  26. Faulty right rear window motor
  27. Faulty right rear window switch
  28. An open in the wire
  29. 10 BLU/YEL




  30. Disconnect the 20P connector from the switch connector, and make these input tests at the connector.
  31. If any test indicates a problem, find and correct the cause, then recheck the system.
  32. If all the input tests prove OK, the control unit must be faulty; replace the power window master switch.

    Cavity

    Wire

    Test condition

    Test: Desired result

    Possible cause if result is not obtained

    16 RED/WHT Ignition switch ON (II) Check for voltage to ground: There should be battery voltage.
  33. Faulty power window master switch
  34. An open in the wire
  35. 9[1] LT GRN Under all conditions Check for voltage to ground: There should be battery voltage.
  36. An open in the wire
  37. 20 BLU Ignition switch ON (II), and the driver's window switch AUTO DOWN Check for voltage between the No. 20 and No. 4 [No. 1] terminals: There should be 0 V - about 5 V - 0 V - about 5 V repeatedly.
  38. Blown No. 23 (20A) fuse in the under-dash fuse/relay box
  39. Faulty power window relay
  40. Faulty power window master switch
  41. An open in the wire
  42. 13 ORN Ignition switch ON (II), and the driver's window switch AUTO DOWN Check for voltage between the No. 13 and No. 4 [No. 1] terminals: There should be 0 V - about 5 V - 0 V - about 5 V repeatedly.




[ ]:RHD type

Master Switch Input Test - Without UP-AUTO Function 22A-150

NOTE: The power window control unit is built into the power window master switch, and it only controls the driver's window operations.

  1. Remove the switch panel from the door panel (see page 20-9) .
  2. Disconnect the 20P connector (A) from the master switch (B).


  3. Inspect the connector and socket terminals to be sure they are all making good contact.
  4. If the terminals are bent, loose or corroded, repair them as necessary, and recheck the system.
  5. If the terminals look OK, make the following input tests at the connector.
  6. If a test indicates a problem, find and correct the cause, then recheck the system.
  7. If all the input tests prove OK, go to step 4.

22A-151

  1. With the connector still disconnected, make these input tests at the connector.
  2. If any test indicates a problem, find and correct the cause, then recheck the system.
  3. If all the input tests prove OK, go to step 5.

    Cavity

    Wire

    Test condition

    Test: Desired result

    Possible cause if result is not obtained

    4[6] BLK Under all condition Check for continuity to ground: There should be continuity.
  4. Poor ground (G501)
  5. An open in the wire
  6. 8[2]
    14 GRN/WHT Ignition switch ON (II) Check for voltage to ground: There should be battery voltage.
  7. Blown No. 6 (7.5A) fuse in the under-dash fuse/relay box
  8. Blown No. 22, 24 or 25 (20A) fuse in the under-dash fuse/relay box
  9. Faulty power window relay
  10. An open in the wire
  11. 2[8] GRN/BLK
    18 YEL/RED
    11 YEL/BLU
    6[4] RED/YEL Connect the No. 14 and No. 6 [No. 4] terminals, and the No. 7 [No. 3] and No. 4 [No. 6] terminals, and turn the ignition switch ON (II). Check for driver's window motor operation: It should run (the driver's window moves down).
  12. Faulty driver's window motor
  13. An open in the wire
  14. 7[3] RED/BLK
    1[9] BLU/RED Connect the No. 2 and No. 3 [No. 7] terminals, and the No. 1 [No. 9] and No. 8 [No. 2] terminals, and turn the ignition switch ON (II). Check for front passenger's window motor operation: It should run (the front passenger's window moves down).
  15. Faulty front passenger's window motor
  16. Faulty front passenger's window switch
  17. An open in the wire
  18. 3[7] BLU/WHT
    19 BLU/BLK Connect the No. 18 and No. 17 terminals, and the No. 19 and No. 8 [No. 2] terminals, and turn the ignition switch ON (II). Check for left rear window motor operation: It should run (the left rear window moves down).
  19. Faulty left rear window motor
  20. Faulty left rear window switch
  21. An open in the wire
  22. 17 BRN
    12 BLU/ORN Connect the No. 11 and No. 10 terminals, and the No. 12 and No. 8 [No. 2] terminals, and turn the ignition switch ON (II). Check for right rear window motor operation: It should run (the right rear window moves down).
  23. Faulty right rear window motor
  24. Faulty right rear window switch
  25. An open in the wire
  26. 10 BLU/YEL




  27. Reconnect the 20P connector to the switch, and perform the following input tests.
  28. If any test indicates a problem, find and correct the cause, then recheck the system.
  29. If all the input tests prove OK, the control unit must be faulty; replace the power window master switch.

    Cavity

    Wire

    Test condition

    Test: Desired result

    Possible cause if result is not obtained

    20 RED/WHT Connect the No. 14 and No. 6 [No. 4] terminals, and the No. 7 [No. 3] and No. 4 [No. 6] terminals, and turn the ignition switch ON (II). Check for voltage between the No. 20 and No. 4 [No. 6] terminals: About 6 V should be indicated while the driver's window motor running.
  30. Faulty driver's window motor
  31. An open in the wire



[ ]:RHD type

Master Switch Test/Replacement 22A-152

  1. Remove the power window master switch.
  2. Disconnect the 20P connector from the switch.


Driver's Switch:

The driver's switch is combined with the control unit so you cannot isolate the switch to test it.
Instead, run the master switch input test procedures on page 22A-164 . If the tests are normal, the driver's switch must be faulty.

Front Passenger's Switch:


Left Rear Switch:


Right Rear Switch:


[ ] :RHD type

  1. If the continuity is not as specified, replace the switch.

Passenger's Window Switch Test/Replacement 22A-153

  1. Remove the switch panel from the door panel (see page 20-9) .
  2. Disconnect the 5P connector (A) from the power window switch (B).


  3. Remove the two screws and the passenger's power window switch.


  4. Check for continuity between the terminals in each switch position according to the table.

Front passenger's (LHD type):


Front passenger's (RHD type):


Left Rear Window:


Right Rear Window:


  1. If the continuity is not as specified, replace the switch.

Driver's Window Motor Test - With UP-AUTO Function 22A-154

Motor Test:

  1. Remove the driver's door panel (see page 20-9) .
  2. Disconnect the 6P connector (A) from the driver's window motor.


  3. Test the motor in each direction by connecting battery power and ground according to the table.

NOTICE

  • To prevent damage to the motor, disconnect one lead as soon as the motor stops running.


    1. If the motor does not run or fails to run smoothly, replace it.

    Pulser Test:

    1. Reconnect the 6P connector to the window motor, and reconnect the 14P connector to the power window master switch.
    2. Check for voltage between the terminals.
    3. There should be battery voltage between the No. 6 (+) and No. 4 (-) terminals when the ignition switch is turned ON (II).
    4. Connect an analog voltmeter between the No. 5 (+) and No. 4 (-) terminals, and run the window motor down or up. The voltmeter needle should move back and forth alternately between 0 V and about 5 V (a digital voltmeter should show about 2.5 V).
    5. Connect an analog voltmeter between the No. 3 (+) and No. 4 (-) terminals, and run the window motor down or up. The voltmeter needle should move back and forth alternately between 0 V and about 5 V (a digital voltmeter should show about 2.5 V).

    Driver's Window Motor Test - Without UP-AUTO Function 22A-155

    Motor Test:

    1. Remove the door panel (see page 20-9) .
    2. Disconnect the 4P connector (A) from the driver's window motor.

    Terminal side of male terminals


    1. Test the motor in each direction by connecting battery power and ground according to the table.

    NOTICE

  • To prevent damage to the motor, disconnect one lead as soon as the motor stops running.


    1. If the motor does not run or fails to run smoothly, replace it.

    Pulser Test:

    1. Remove the 4P conector to the driver's window motor, and reconnect the 20P connector to the power window master switch.
    2. Connect the test leads of a voltmeter to the No. 3 and No. 4 terminals of the driver's window motor 4P connector.
    3. Run the motor by connecting power and ground to the No. 1 and No. 2 terminals. The voltmeter should read about 6 V.
    4. If the voltage is not as specified, check for an open in the wires. If the wires are OK, replace the driver's window motor.

    Passenger's Window Motor Test 22A-156

    1. Remove the passenger's door panel (see page 20-9) .
    2. Disconnect the 2P connector (A) from the passenger's power window motor.


    3. Test the motor in each direction by connecting battery power and ground according to the table.

    NOTICE

  • To prevent damage to the motor, disconnect one lead as soon as the motor stops running.


    1. If the motor does not run or fails to run smoothly, replace it.

    Resetting the Power Window Control Unit 22A-157

    Resetting the power window control unit is required after performing the following procedures:

  • Loss of battery power
  • Loss of power from the No. 6 (7.5A) and/or the No. 23 (20A) fuses in the under-dash fuse/relay box
  • Open circuit caused by disconnecting the 20P connector from the power window master switch
  • Removal of the regulator, glass, or glass run channel
    1. Make sure the glass is installed properly.
    2. Close the driver's door.
    3. Turn the ignition switch OFF.
    4. Remove the No. 23 (20A) fuse in the under-dash fuse/relay box.
    5. Turn the ignition switch ON (II).
    6. After 1 second, turn the ignition switch OFF.
    7. After 5 seconds, install the No. 23 (20A) fuse to the under-dash fuse/relay box.
    8. Make sure the driver's window does not work in AUTO with the ignition switch ON (II).
    9. Start the engine.
    10. Move the driver's window all the way down using the manual DOWN function of the driver's power window switch.
    11. Move the driver's window all the way up using the manual UP function of the driver's power window switch, and hold it for 1 second after the window reaches the closed position.
    12. If the window does not work in AUTO, repeat steps 2 through 12.


    Honda 2001 Body Electrical22A-1
    Power Windows 22A-143
    Previous Page Next Page