Honda 2001 Wiring diagrams78-1
Exterior Lights (With Rear Fog Lights) (cont'd) 78-24
Previous Page Next Page



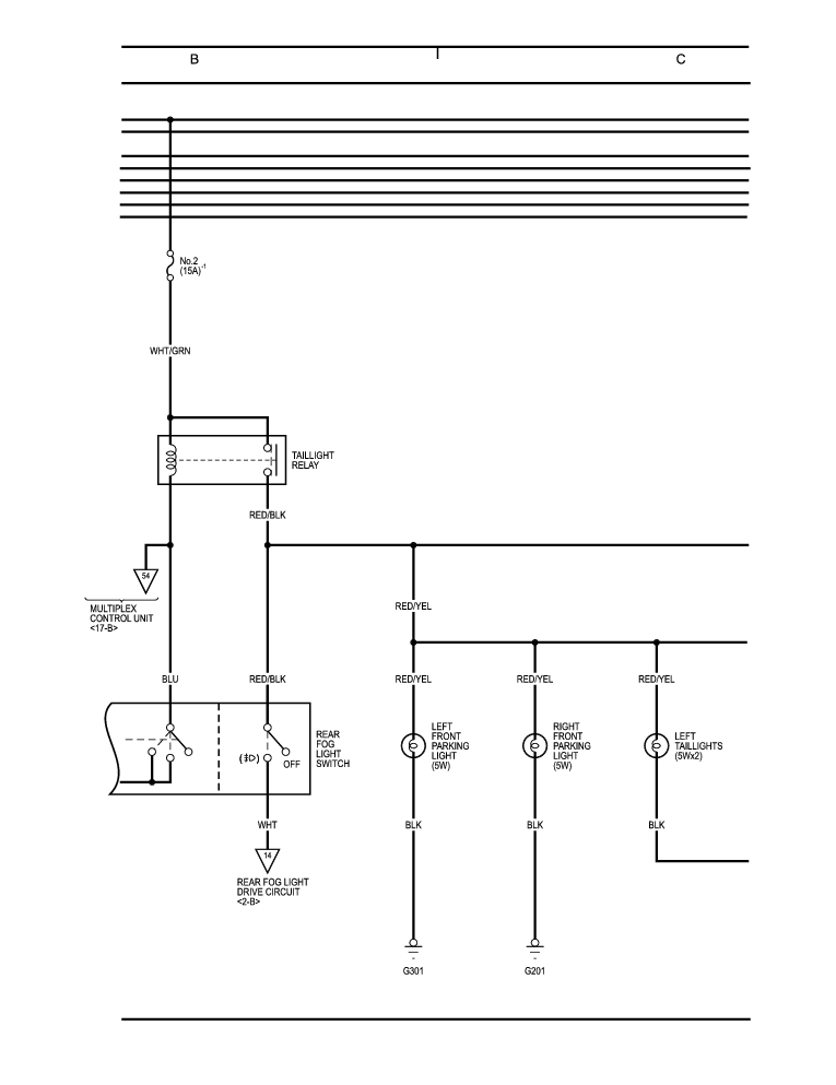
Exterior Lights (With Rear Fog Lights) (cont'd) 78-24




Honda 2001 Wiring diagrams78-1
Exterior Lights (With Rear Fog Lights) (cont'd) 78-24
Previous Page Next Page