Honda 2001 Wiring diagrams78-1
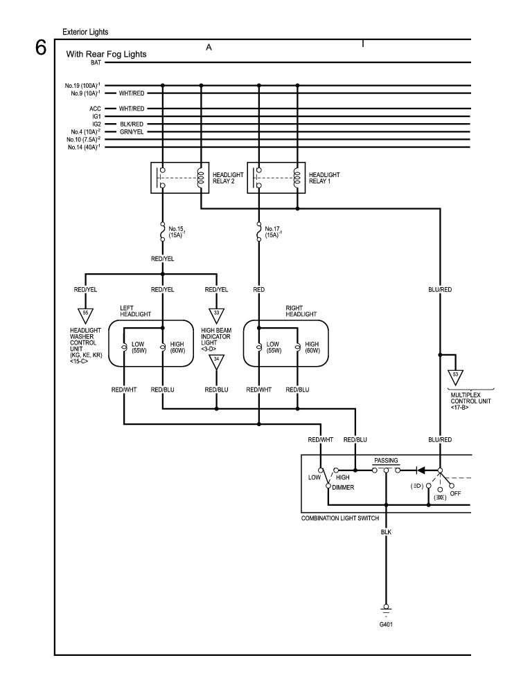
Exterior Lights (With Rear Fog Lights) (cont'd) 78-23
Previous Page Next Page



Exterior Lights (With Rear Fog Lights) (cont'd) 78-23




Honda 2001 Wiring diagrams78-1
Exterior Lights (With Rear Fog Lights) (cont'd) 78-23
Previous Page Next Page