Honda 2001 Wiring diagrams78-1
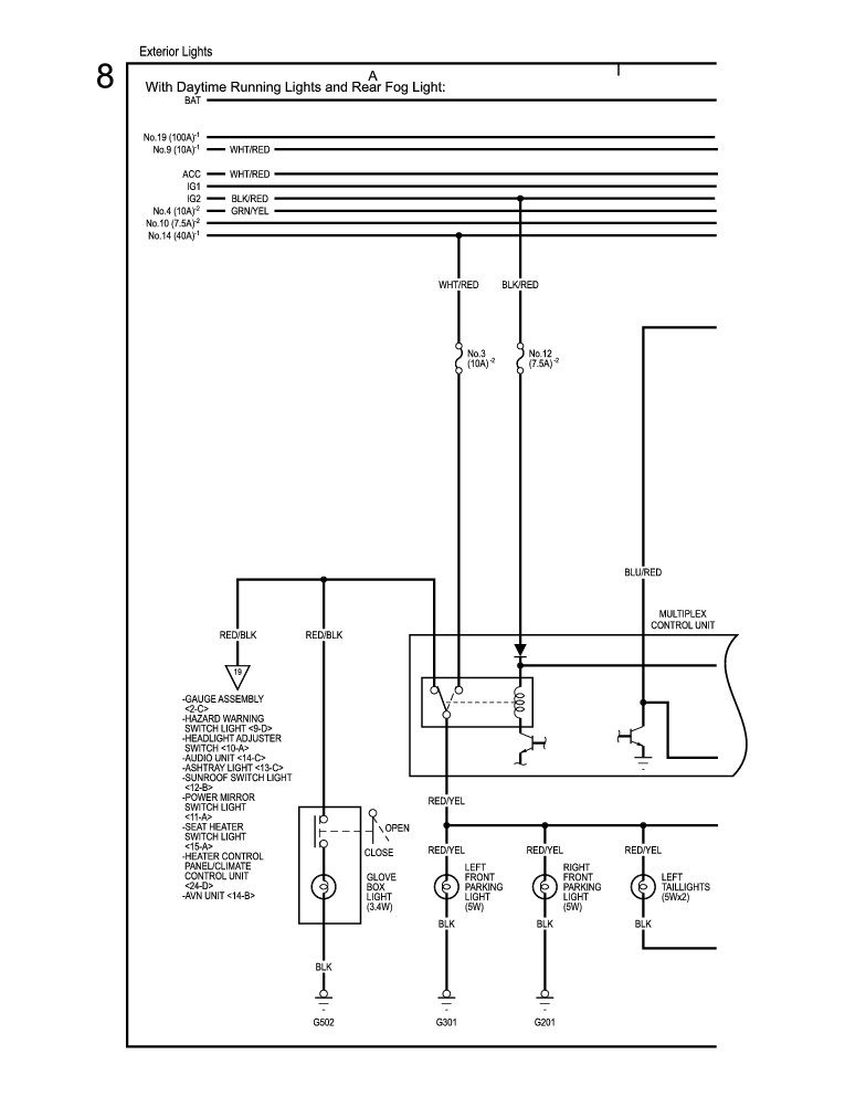
Exterior Lights (With Daytime Running Lights and Rear Fog Light) (cont'd) 78-31
Previous Page Next Page



Exterior Lights (With Daytime Running Lights and Rear Fog Light) (cont'd) 78-31




Honda 2001 Wiring diagrams78-1
Exterior Lights (With Daytime Running Lights and Rear Fog Light) (cont'd) 78-31
Previous Page Next Page