Honda 2001 Wiring diagrams78-1
Exterior Lights (With Daytime Running Lights and Rear Fog Light) (cont'd) 78-32
Previous Page Next Page



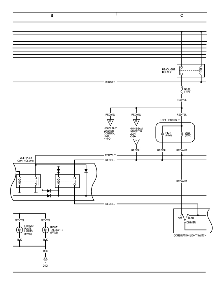
Exterior Lights (With Daytime Running Lights and Rear Fog Light) (cont'd) 78-32




Honda 2001 Wiring diagrams78-1
Exterior Lights (With Daytime Running Lights and Rear Fog Light) (cont'd) 78-32
Previous Page Next Page