Honda 2001 Engine Mechanical09-1
Intake Manifold and Exhaust System09-2
Previous Page Next Page



Intake Manifold and Exhaust System09-2

Intake Manifold Removal and Installation

Exploded View


09-3

Removal:

  1. Remove the intake manifold cover.


  2. Disconnect the Intake Air Temperature (IAT) sensor connector (A), and remove the breather hose (B), then remove the air cleaner housing (C).


  3. Remove the throttle cover (A). Fully open the throttle link and cruise control link by hand, then remove the throttle cable (B) and cruise control cable (C) from the links. Loosen the locknuts (D), and remove the cables from the bracket.


  4. Remove the Evaporative Emission (EVAP) canister hose (A) and brake booster vacuum hose (B).


Intake Manifold Removal and Installation (cont'd)09-4

  1. Remove the water bypass hoses, then plug the water bypass hoses.


  2. Disconnect the Intake Manifold Runner Control (IMRC) valve actuator control solenoid valve connector (A), then remove the Positive Crankcase Ventilation (PCV) hose (B) and IMRC valve control solenoid valve mounting bolt (C).


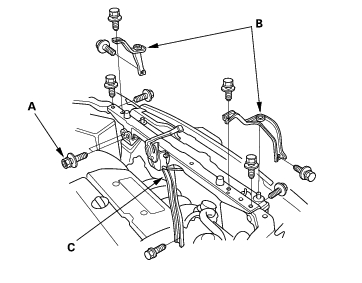
  3. Remove the bolt (A) securing the battery clamp, then remove the bulkhead cover (B).


  4. Remove the harness clamps.


09-5

  1. Remove the intake air duct mounting bolts (A) and upper bracket and cushion (B), then remove the bulkhead (C).


  2. Remove the engine wire harness connectors and wire harness clamps from the intake manifold.
  3. Idle Air Control (IAC) valve connector
  4. Throttle Position (TP) sensor connector
  5. Manifold Absolute Pressure (MAP) sensor connector
  6. Evaporative Emission (EVAP) canister purge valve connector
  7. Remove the intake manifold.


Installation:

  1. Install the intake manifold (A) and tighten the bolts/nuts in a crisscross pattern in two or three steps, beginning with the inner bolt. Using the new O-rings (B).


  2. Install the bulkhead (A), then install the upper bracket and cushion (B) and intake air duct mounting bolts (C). Apply body paint to the bulkhead mounting bolts.


Intake Manifold Removal and Installation (cond't)09-6

  1. Connect the harness clamps.


  2. Install the bulkhead cover (A), then install the battery clamp bolt (B).


  3. Connect the Intake Manifold Runner Control (IMRC) valve actuator control solenoid valve connector (A), then install the Positive Crankcase Ventilation (PCV) hose (B) and IMRC valve actuator control solenoid valve mounting bolt (C).


  4. Install the water bypass hoses.


09-7

  1. Install the Evaporative Emission (EVAP) canister hose (A) and brake booster vacuum hose (B).


  2. Install the throttle cable (see page 11-184) , then adjust the cable (see page 11-183) .
  3. Install the cruise control cable, then adjust the cable (see page 04-49)
  4. Install the air cleaner housing (A) and connect the Intake Air Temperature (IAT) sensor connector (B).


  5. Install the breather hose (C).
  6. Install the intake manifold cover.


  7. Clean up any spilled engine coolant.
  8. After installation, check that all tubes, hoses and connectors are installed correctly.
  9. Refill the radiator with engine coolant, and bleed air from the cooling system with the heater valve open (see page 10-6) .

Exhaust Manifold Removal and Installation09-8

  1. Remove the VTEC solenoid valve (see page 11-138) .
  2. Remove the driveshaft heat cover (see page 16-19) .
  3. Remove the cover and exhaust manifold bracket, then remove the exhaust manifold.


  4. Install the exhaust manifold and tighten the bolts/nuts in a crisscross pattern in two or three steps, beginning with the inner bolt.
  5. Install the other parts in the reverse order of removal.

Exhaust Pipe and Muffler Replacement09-9

NOTE: Use new gaskets and self-locking nuts when reassembling.




Honda 2001 Engine Mechanical09-1
Intake Manifold and Exhaust System09-2
Previous Page Next Page