Previous Next

ABS Power Relay

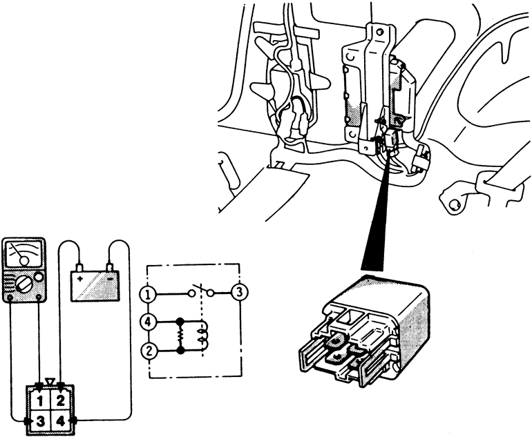
TESTING

  1. Disconnect the system relay.
  2. Connect the positive lead of a voltmeter to terminal 3 of the relay connector and the other lead to ground.
  3. Verify that there is approximately 12 volts with the ignition switch ON. If not as specified, inspect the ABS system fuse and wiring to the relay.
  4. Turn the ignition switch OFF. Disconnect the system relay and remove from the ABS control unit bracket.
  5. Connect a jumper wire from the positive battery terminal to terminal 2 of the relay. Connect terminal 4 of the relay to ground. Using and ohmmeter, measure the resistance present at terminals 1 and 3, while power is supplied. The meter should read continuity.

    Fig. 1: ABS power relay inspection — 1991–94 vehicles

  6. Disconnect the power supply and ground from the relay.
  7. Connect an ohmmeter between terminals 2 and 4 on the relay and check the resistance. Continuity should be present.
  8. Connect the ohmmeter leads between terminals 1 and 3 and check the resistance. No continuity should be present.
  9. If the readings are not as specified, replace the relay.
  10. If the relay test good, inspect the control unit and wiring.

Previous Next