Previous Next

Intake Manifold

REMOVAL & INSTALLATION

3000GT
  1. Before servicing the vehicle, refer to the precautions in the beginning of this section.
  2. Relieve the fuel system pressure.
  3. Disconnect battery negative cable.
  4. Drain the cooling system.
  5. Remove or disconnect the following:

    To install:

  6. Thoroughly clean the mating surfaces of the heads, intake manifold and air intake plenum.
  7. Install new intake manifold gaskets to the heads with the adhesive side facing up.
  8. Place the manifold on the heads and install the cone disc springs and/or lockwashers.
  9. Lubricate the studs lightly with oil, then install the nuts following this procedure:
  10. Install or connect the following:
  11. Fill the system with coolant.
  12. Connect the negative battery cable.
Diamante

Fig. 1: Exploded view of air intake plenum assembly — Diamante shown, 3000GT similar

Fig. 2: Intake manifold and related components — Diamante shown, 3000GT similar

  1. Before servicing the vehicle, refer to the precautions in the beginning of this section.
  2. Relieve the fuel system pressure.
  3. Remove or disconnect the following:

    NOTE: It is not necessary to remove the fuel injectors from the intake unless the manifold assembly is being replaced.

  4. Remove or disconnect the following:
  5. Clean the gasket mounting surfaces.

    To install:

  6. Thoroughly clean the mating surfaces of the heads, intake manifold and air intake plenum.
  7. Install new intake manifold gaskets to the cylinder heads with the adhesive side facing up.
  8. Place the manifold on the cylinder heads.
  9. Lubricate the studs lightly with oil and install the nuts.
  10. Tighten the mounting nuts as follows:
  11. Connect the coolant hoses to the intake manifold.
  12. Using new O-rings, install the fuel rail assembly, if removed. Tighten the mounting bolts to 84–108 inch lbs. (10–13 Nm).
  13. Install or connect the following:
  14. Fill the system with coolant.
  15. Connect the negative battery cable.
Eclipse
2.0L (4G63) ENGINE
  1. Before servicing the vehicle, refer to the precautions in the beginning of this section.
  2. Relieve the fuel system pressure.
  3. Remove the battery.
  4. Drain the engine coolant.
  5. Remove or disconnect the following:

    To install:

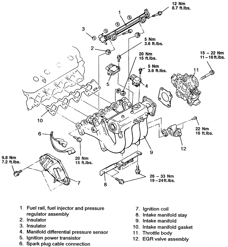
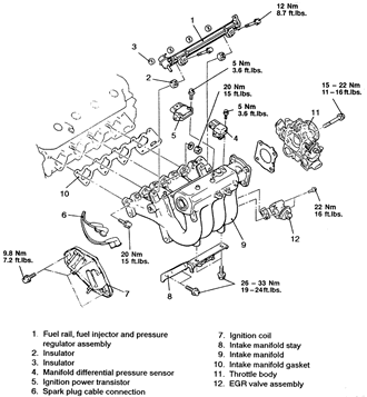
    Fig. 3: Exploded view of the intake manifold and related components — 2.0L (4G63) engine

  6. Install or connect the following:
  7. Refill the engine with coolant.
  8. Start the engine and check for leaks.
2.0L (420A) ENGINE
  1. Before servicing the vehicle, refer to the precautions in the beginning of this section.
  2. Disconnect the negative battery cable.
  3. Drain the engine coolant.
  4. Remove or disconnect the following:
  5. Position the engine control wiring harness out of the way.
  6. Remove or disconnect the following:

    To install:

  7. Install or connect the following:
  8. Reposition the engine control wiring harness and install the brackets and clips.
  9. Install or connect the following:
  10. Refill the engine with coolant.
2.4L (4G64) ENGINE
  1. Before servicing the vehicle, refer to the precautions in the beginning of this section.
  2. Relieve the fuel system pressure.
  3. Remove the battery.
  4. Drain the engine coolant.
  5. Remove or disconnect the following:

    To install:

  6. Install or connect the following:
  7. Refill the engine with coolant.
Galant
  1. Before servicing the vehicle, refer to the precautions in the beginning of this section.
  2. Relieve the fuel system pressure.
  3. Disconnect battery negative cable.
  4. Drain the cooling system.
  5. Remove or disconnect the following:
  6. Disconnect the following:
  7. Remove or disconnect the following:

    To install:

  8. Clean all gasket material from the cylinder head intake mounting surface and intake manifold assembly.
  9. Install or connect the following:
  10. Connect the following:
  11. Install or connect the following:
  12. Fill the system with coolant.
  13. Connect the negative battery cable.
Mirage
1.5L (4G15) ENGINE
  1. Before servicing the vehicle, refer to the precautions in the beginning of this section.
  2. Relieve the fuel system pressure.
  3. Remove or disconnect the following:
  4. Disconnect the following:
  5. Remove or disconnect the following:

    To install:

  6. Clean all gasket material from the cylinder head intake mounting surface and intake manifold assembly.
  7. Install or connect the following:
  8. Connect the following:
  9. Install or connect the following:
  10. Fill the system with coolant.
  11. Connect the negative battery cable.

    Fig. 6: Exploded view of the intake and exhaust manifold mounting — Mirage 1.5L (4G15) engine

1.8L (4G93) ENGINE
  1. Before servicing the vehicle, refer to the precautions in the beginning of this section.
  2. Relieve the fuel system pressure.
  3. Remove or disconnect the following:
  4. Disconnect the following:
  5. Label and remove all vacuum hoses.
  6. Remove or disconnect the following:

    To install:

  7. Clean all gasket material from the cylinder head intake mounting surface and intake manifold assembly.
  8. Install or connect the following:
  9. Connect the following:
  10. Connect and adjust the accelerator cable and install the air intake hose.
  11. Fill the system with coolant.
  12. Connect the negative battery cable.

Previous Next