Previous Next

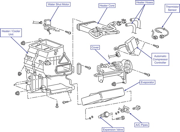
Heater/Cooler Unit, Heater Core & Evaporator

Removal & Installation

To Remove:

Heater unit removal/installation engine side

  1. Remove the driver’s side under cover, center panel, glove box and passenger’s side under cover.
  2. Remove the joint duct.
  3. Remove the automatic compressor controller.
  4. Remove the water shut motor.
  5. Remove the thermistor sensor.
  6. Recover the refrigerant and drain the coolant.
  7. Disconnect the refrigerant pipes and remove the expansion valve.
  8. Disconnect the heater hoses.
  9. Remove the audio unit, heater control assembly and instrument panel.
  10. Remove the front deck crossmember.
  11. Remove the console and instrument panel center reinforcement.
  12. Remove both left and right floor ducts.
  13. Remove the heater/cooler unit.

Heater/Cooler unit removal/installation

To Install:

  1. Install the heater/cooler unit.
  2. Install both left and right floor ducts.
  3. Install the console and instrument panel center reinforcement.
  4. Install the front deck crossmember.
  5. Install the instrument panel, audio unit and heater control assembly.
  6. Disconnect the heater hoses.
  7. Disconnect the refrigerant pipes and remove the expansion valve.
  8. Remove the thermistor sensor.
  9. Remove the water shut motor.
  10. Remove the automatic compressor controller.
  11. Remove the joint duct.
  12. Remove the driver’s side under cover, center panel, glove box and passenger’s side under cover.
  13. Refill the cooling system. Make sure the water shut valve is open as shown.
  14. Evacuate and charge the A/C system. Check for leaks.

Water shut valve open position

Previous Next