Previous Next

COMPONENT LOCATION AND VACUUM DIAGRAMS

For any model not shown in these diagrams or in case of conflict between the actual engine arrangement and a diagram, refer to the underhood label on the vehicle. Changes in equipment and vacuum routing may be made throughout the production of the vehicle; the underhood label will show the correct data for the car.

In the following diagrams, the symbol C within a circle indicates that the wire so noted connects to the computer (ECM).

Fig. 1: Component location and vacuum schematic — 1986 Pick-up

Fig. 2: Emission control vacuum hose routing — 1986 Pick-up with 2.6L engine

Fig. 3: Emission control vacuum hose routing — 1986 Pick-up with 2.0L engine

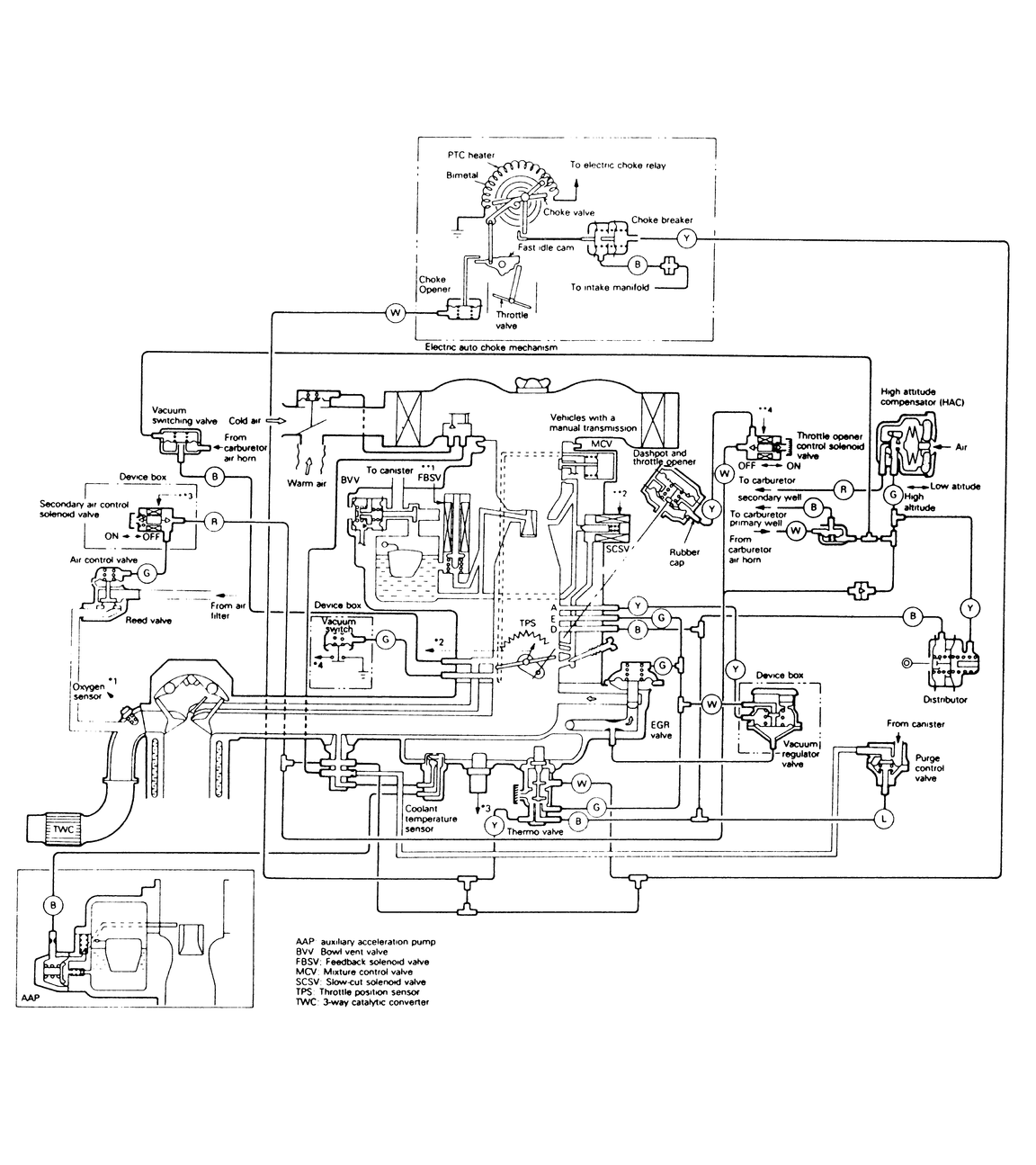
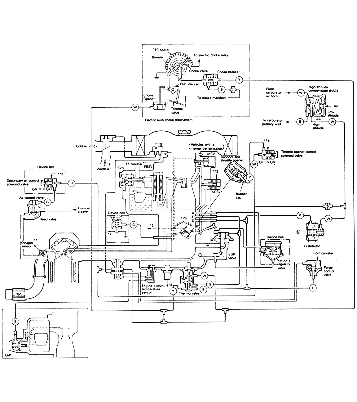
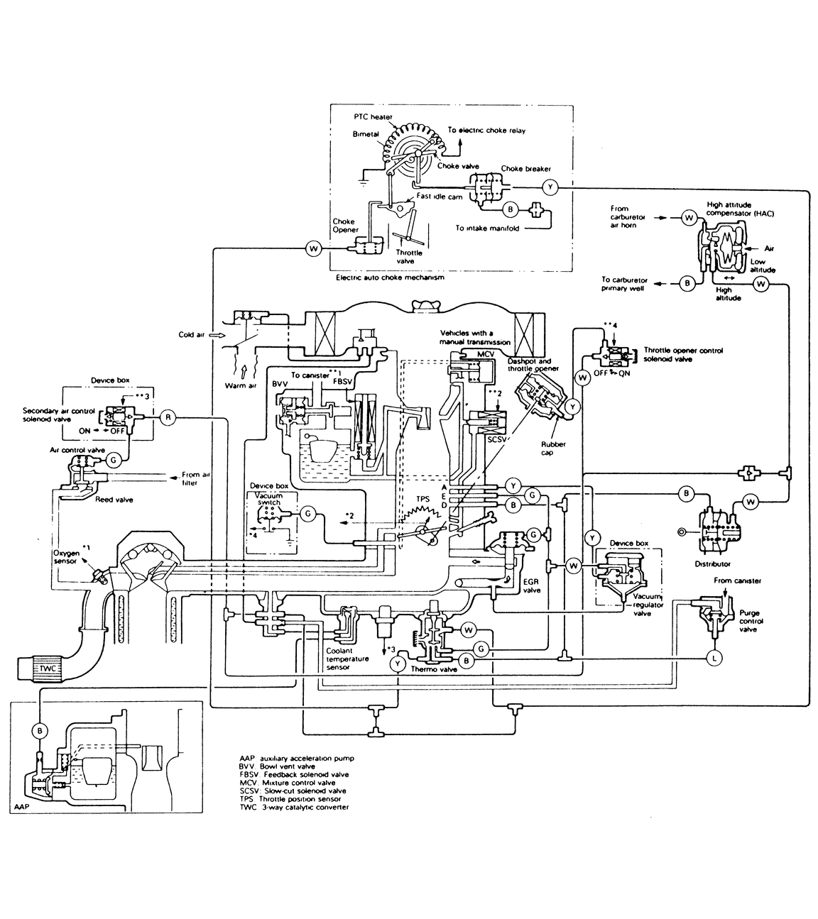
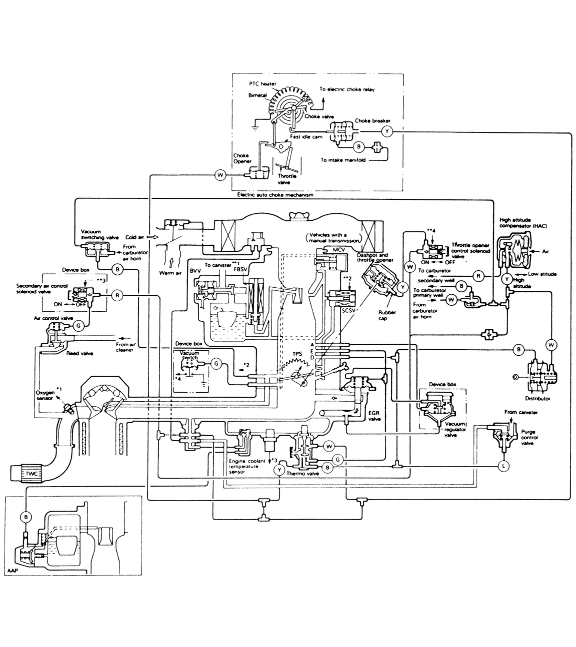
Fig. 4: Component location and vacuum schematic — 1987 Pick-up, Federal

Fig. 5: Component location and vacuum schematic — 1987 Pick-up, Federal, high altitude

Fig. 6: Component location and vacuum schematic — 1987 Pick-up, California

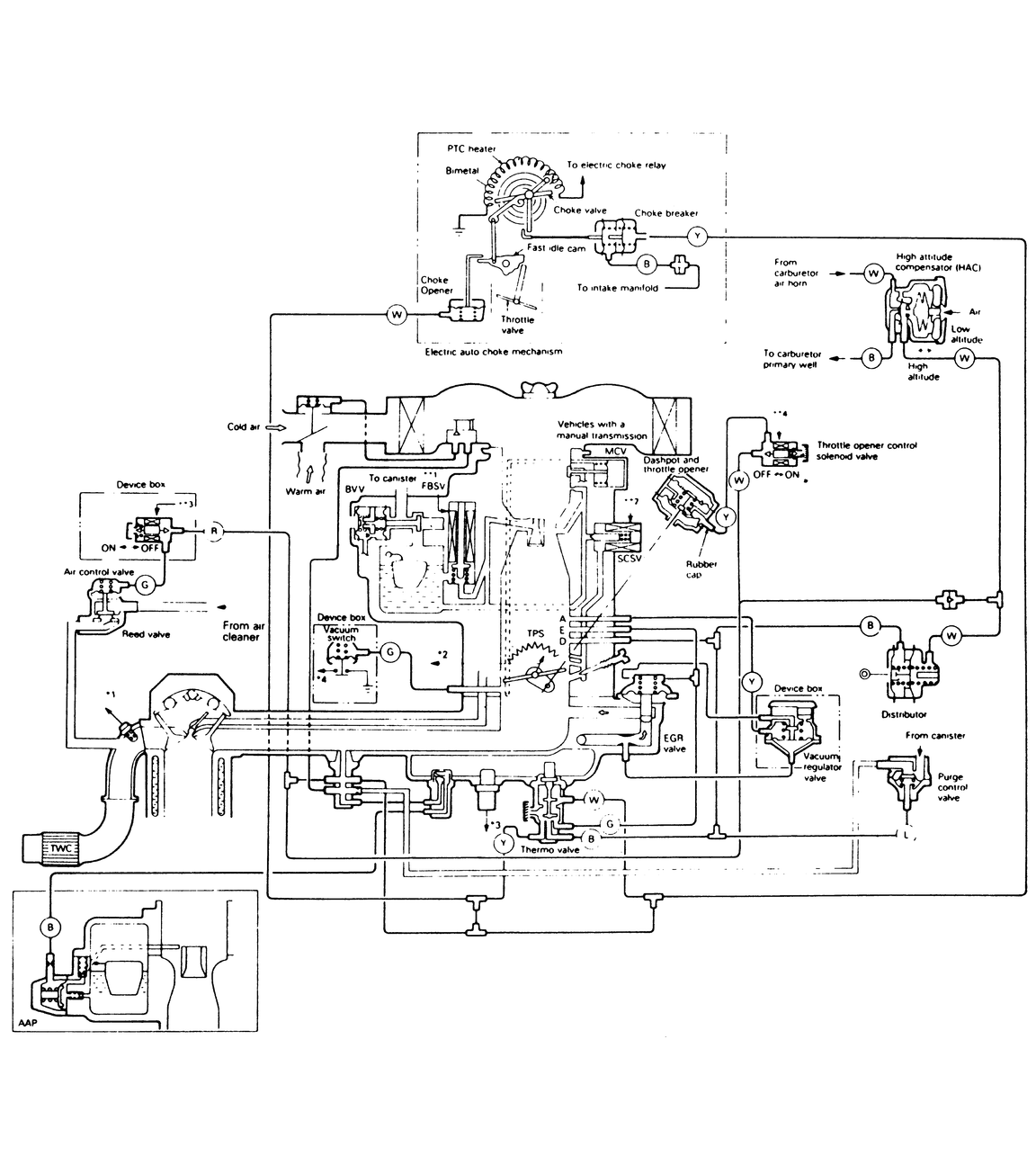
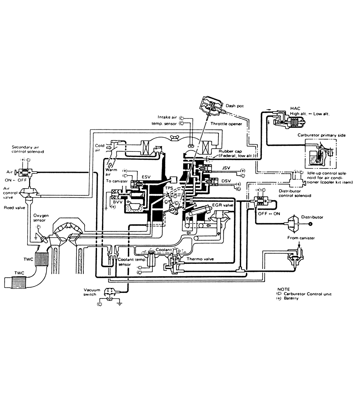
Fig. 7: Emission control vacuum hose routing — 1987 Pick-up

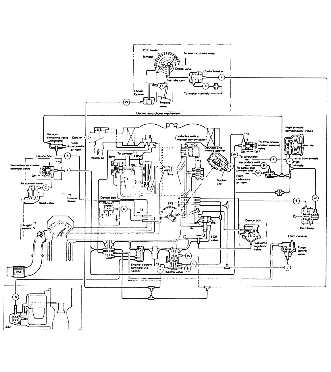
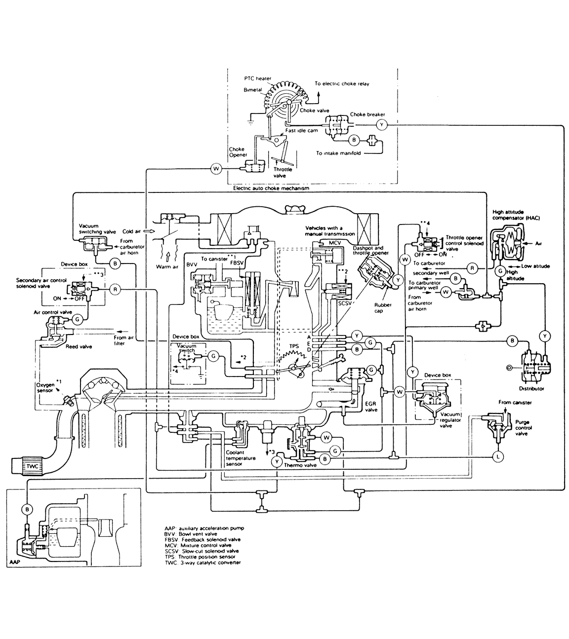
Fig. 8: Component location and vacuum schematic — 1987 Pick-up, Federal

Fig. 9: Component location and vacuum schematic — 1988 Pick-up, Federal, high altitude

Fig. 10: Component location and vacuum schematic — 1988 Pick-up, California

Fig. 11: Emission control vacuum hose routing — 1988 Pick-up

Fig. 12: Component location and vacuum schematic — 1989 Pick-up, Federal

Fig. 13: Component location and vacuum schematic — 1989 Pick-up, Federal, high altitude

Fig. 14: Component location and vacuum schematic — 1989 Pick-up, California

Fig. 15: Emission control vacuum hose routing — 1989 Pick-up

Fig. 16: Emission control vacuum hose routing — 1990–91 Pick-up, 2.4L engine

Fig. 17: Emission control vacuum hose routing — 1990–91 Pick-up, 3.0L engine, Federal

Fig. 18: Emission control vacuum hose routing — 1990–91 Pick-up, 3.0L engine, California

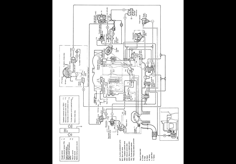
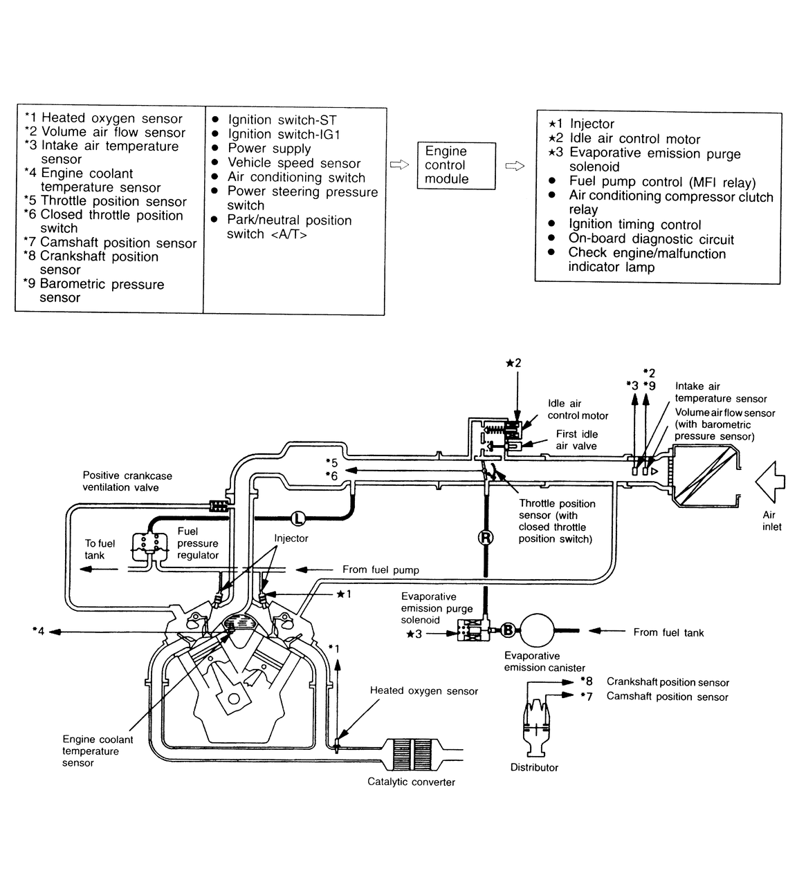
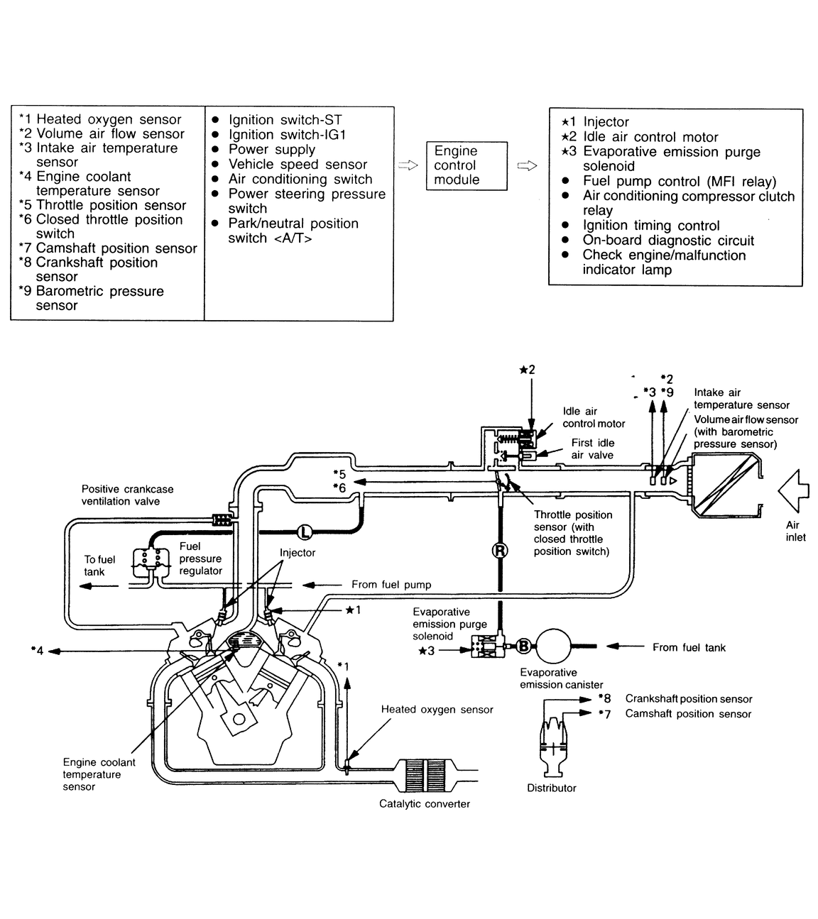
Fig. 19: Multi-port fuel injection component location and vacuum schematic — 1990–91 Pick-up, 2.4L engine, Federal

Fig. 20: Multi-port fuel injection component location and vacuum schematic — 1990–91 Pick-up, 2.4L engine, California

Fig. 21: Multi-port fuel injection component location and vacuum schematic — 1990–91 Pick-up, 3.0L engine, Federal

Fig. 22: Multi-port fuel injection component location and vacuum schematic — 1990–91 Pick-up, 2.4L engine, California

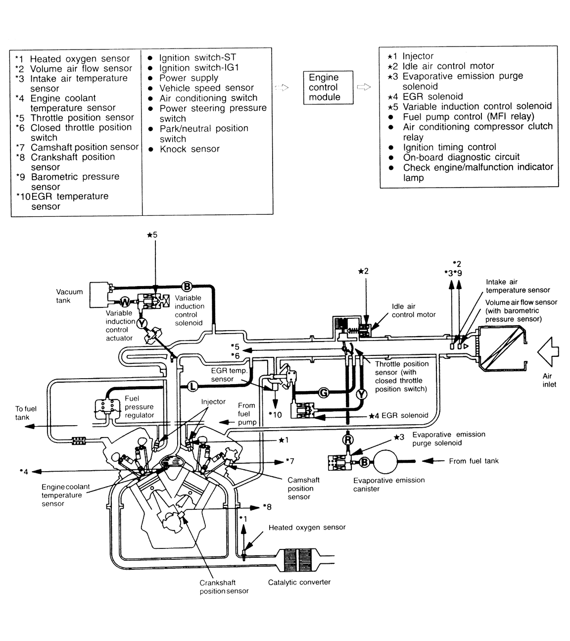
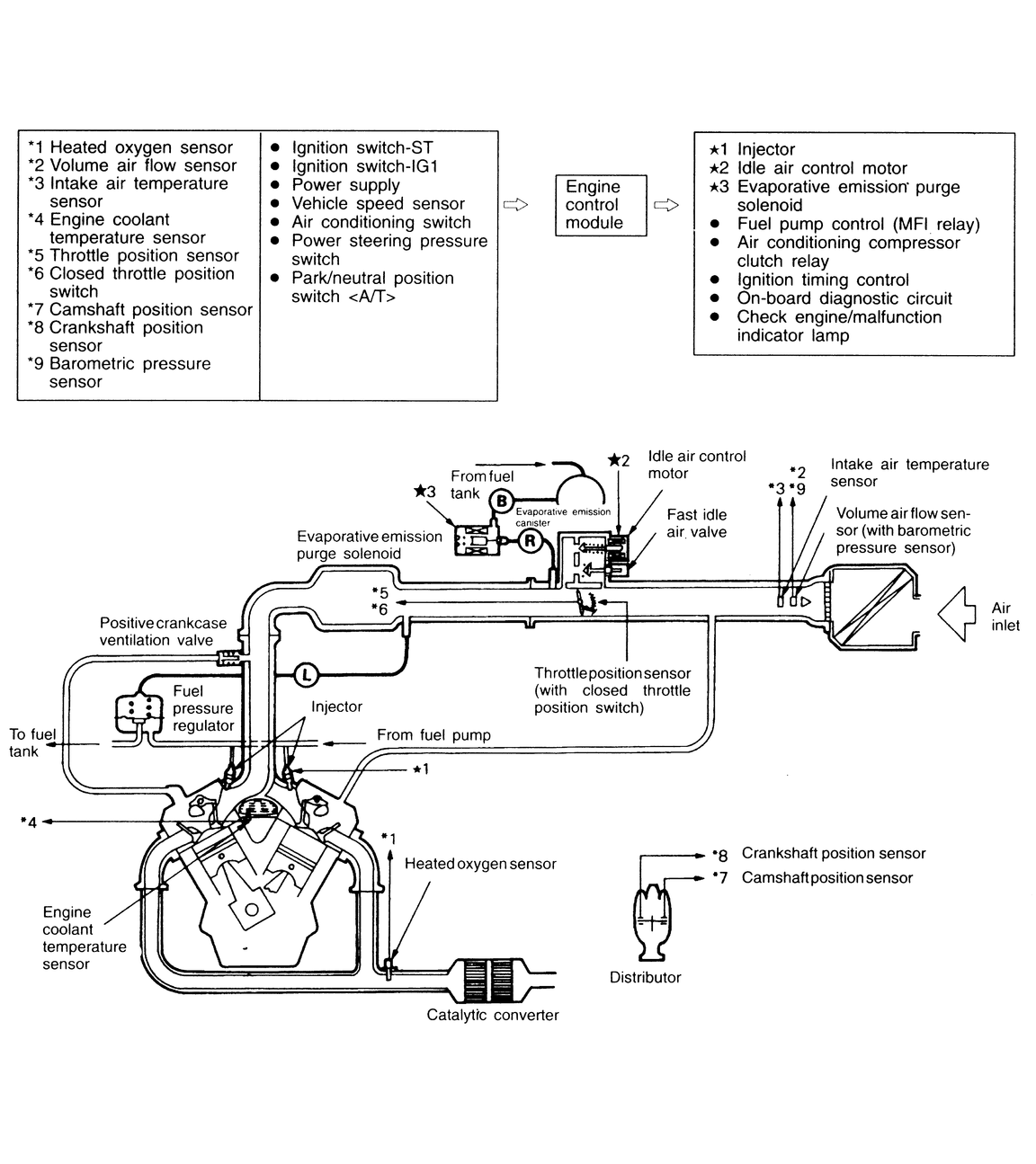
Fig. 23: Electronic engine control component location — 1992–95 Pick-up, 2.4L engine

Fig. 24: Electronic engine control component location — 1992–95 Pick-up, 2.4L engine

Fig. 25: Electronic engine control component location — 1992–95 Pick-up, 2.4L engine

Fig. 26: Electronic engine control component location — 1992–95 Pick-up, 3.0L (12 valve) engine

Fig. 27: Electronic engine control component location — 1992–95 Pick-up, 3.0L (12 valve) engine

Fig. 28: Electronic engine control component location — 1992–95 Pick-up, 3.0L (12 valve) engine

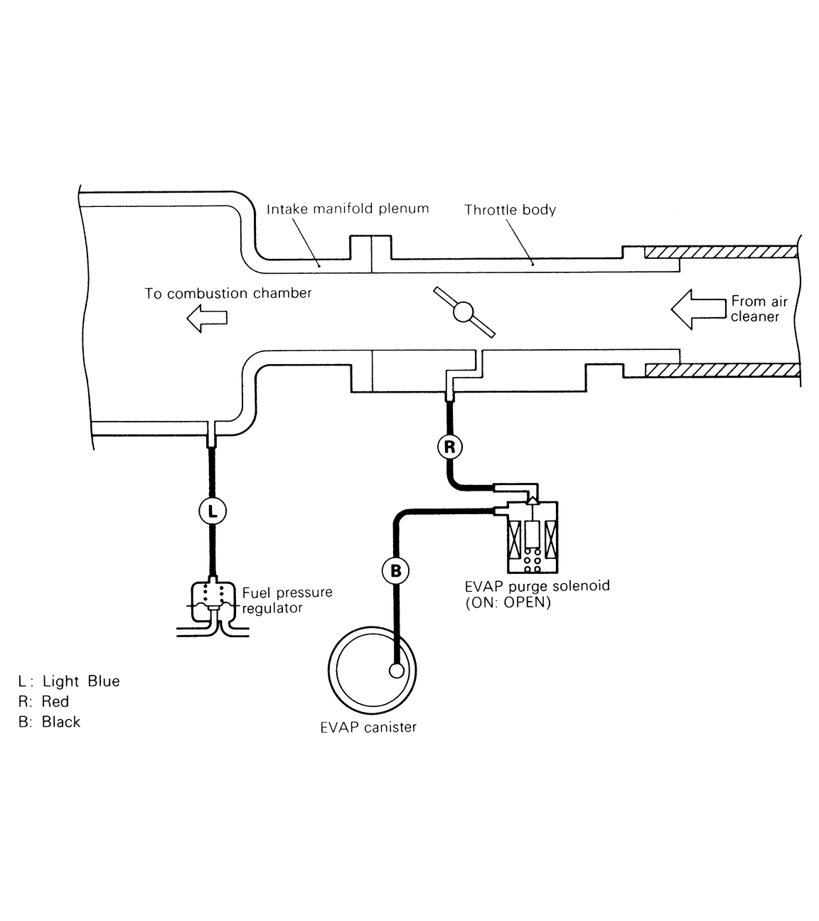
Fig. 29: Emission control vacuum hose routing — 1992–95 Pick-up, 2.4L engine

Fig. 30: Emission control vacuum hose routing — 1992–95 Pick-up, 3.0L engine, Federal

Fig. 31: Emission control vacuum hose routing — 1992–95 Pick-up, 3.0L engine, California

Fig. 32: Vacuum circuit diagram — 1992–95 Pick-up, 2.4L engine, Federal

Fig. 33: Vacuum circuit diagram — 1992–95 Pick-up, 3.0L (12 valve) engine and 2.4L engine, California

Fig. 34: Vacuum circuit diagram — 1992–95 Pick-up, 3.0L (12 valve) engine, Federal

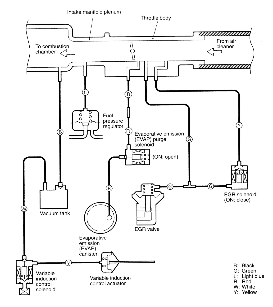
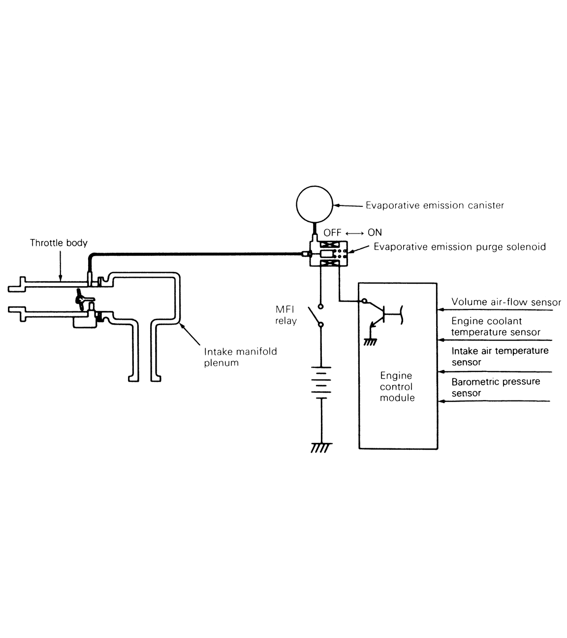
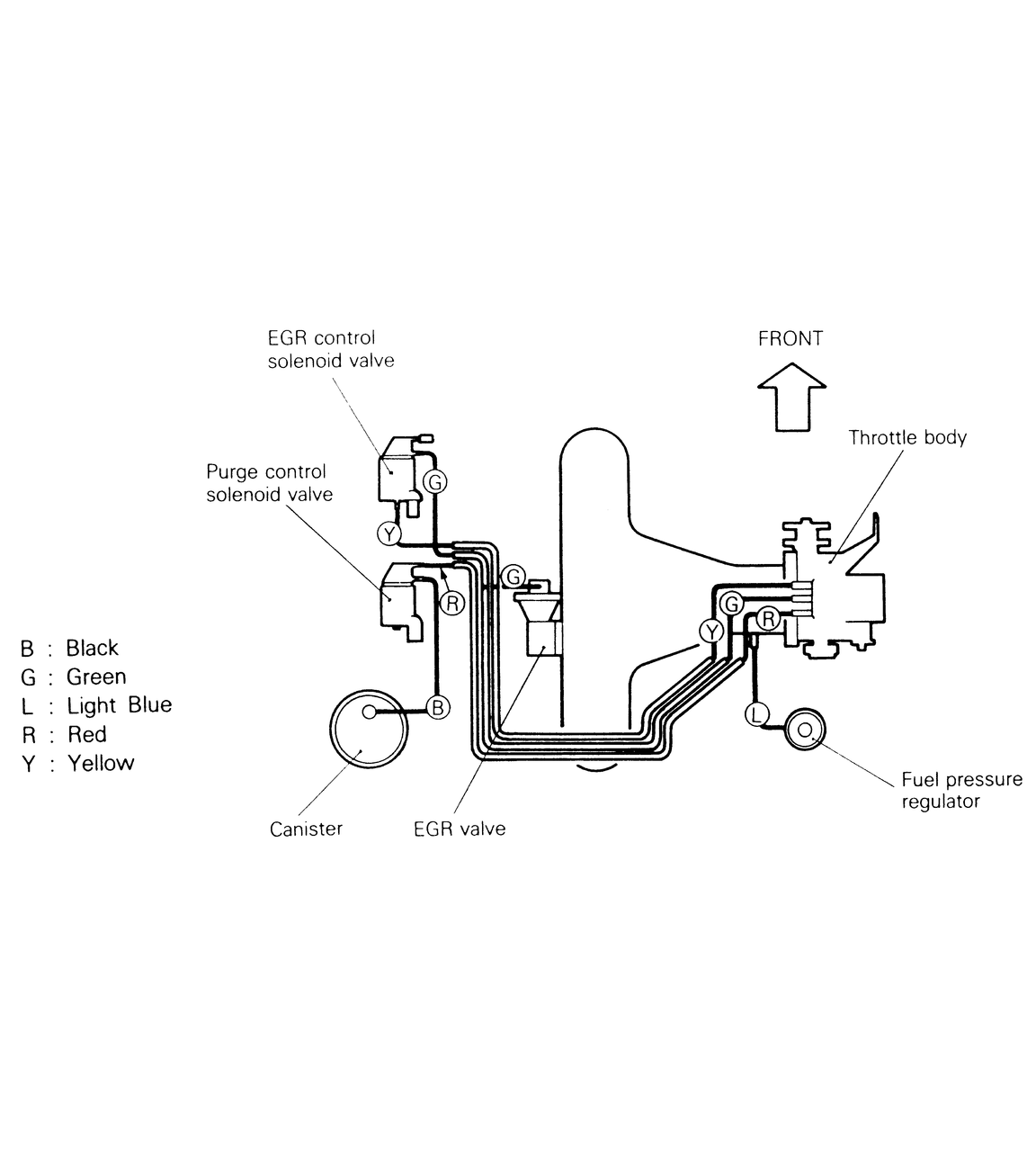
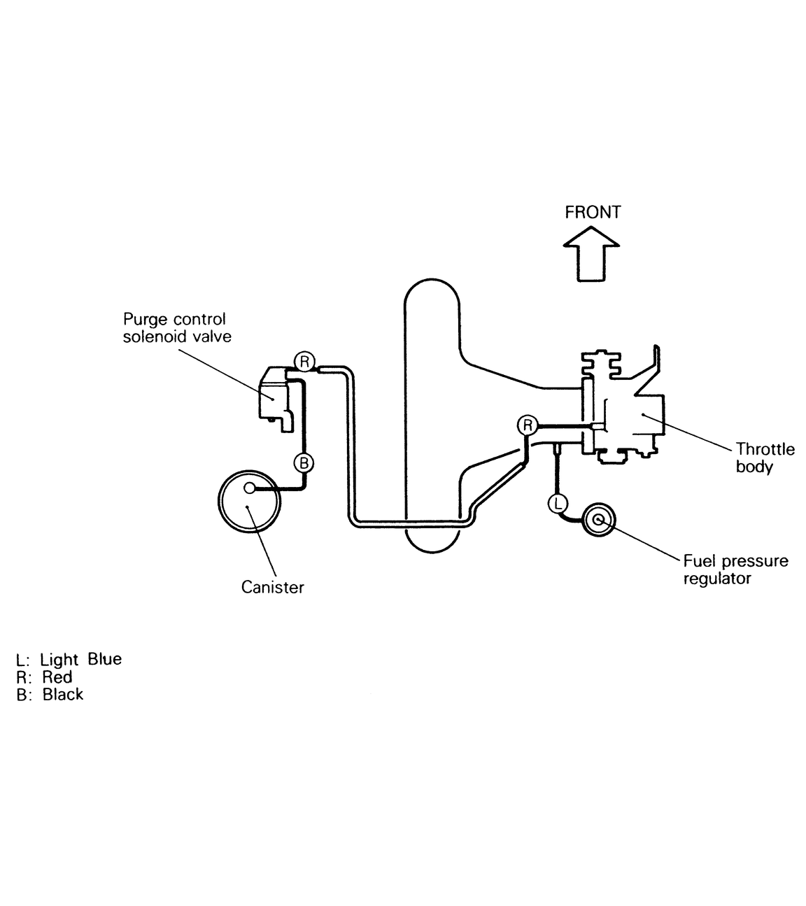
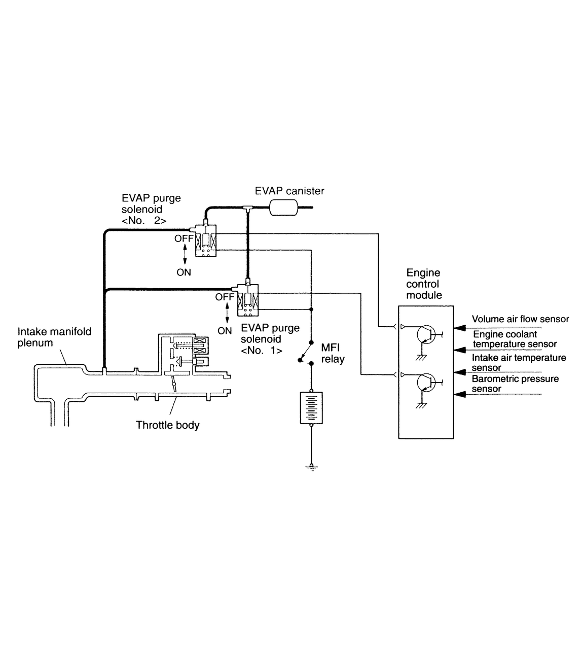
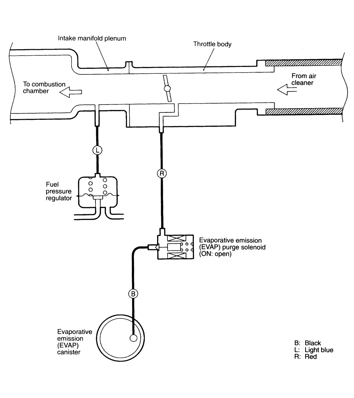
Fig. 35: Purge control system components and vacuum routing — 1992–95 Pick-up

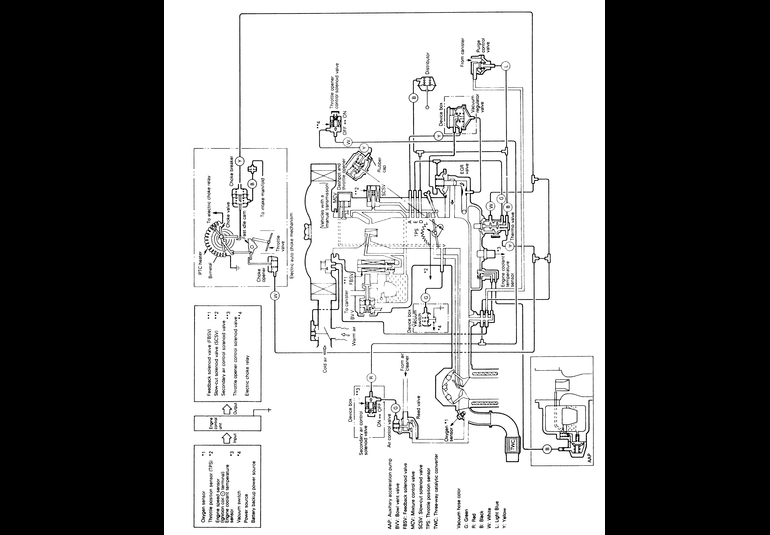
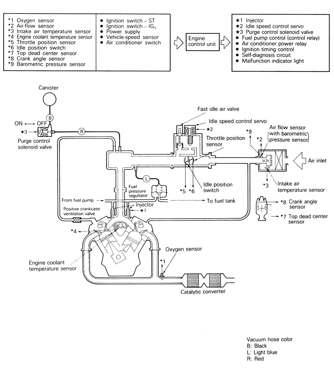
Fig. 36: Multi-port fuel injection system diagram — 1992–95 Pick-up, 2.4L engine, Federal, California-RWD (1992) and 4WD

Fig. 37: Multi-port fuel injection system diagram — 1992–95 Pick-up, 2.4L engine, California-RWD (from 1993 on)

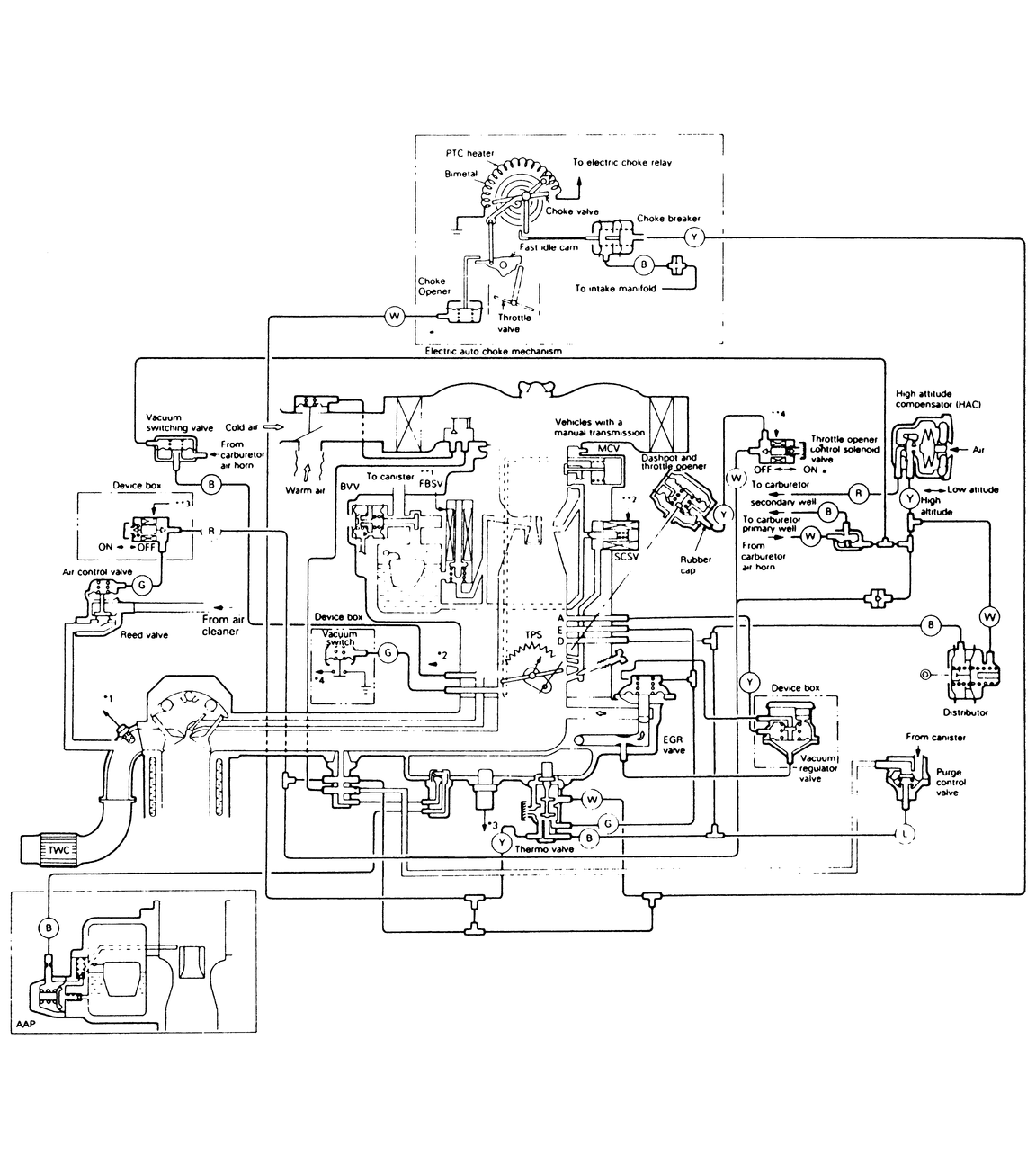
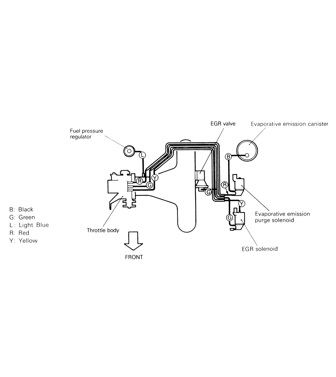
Fig. 38: Multi-port fuel injection system diagram — 1992 Pick-up, 3.0L (12 valve) engine

Fig. 39: Multi-port fuel injection system diagram — 1993–95 Pick-up, 3.0L (12 valve) engine

Fig. 40: Component location and vacuum schematic — 1986 Montero

Fig. 41: Emission control vacuum hose routing — 1986 Montero

Fig. 42: Component location and vacuum schematic — 1987 Montero, Federal

Fig. 43: Component location and vacuum schematic — 1987 Montero, Federal, high altitude

Fig. 44: Component location and vacuum schematic — 1987 Montero, California

Fig. 45: Emission control vacuum hose routing — 1987 Montero

Fig. 46: Component location and vacuum schematic — 1988 Montero, Federal

Fig. 47: Component location and vacuum schematic — 1988 Montero, Federal, high altitude

Fig. 48: Component location and vacuum schematic — 1989 Montero, California

Fig. 49: Emission control vacuum hose routing — 1988 Montero

Fig. 50: Component location and vacuum schematic — 1989 Montero, 2.6L, Federal

Fig. 51: Component location and vacuum schematic — 1989 Montero, 2.6L, Federal, high altitude

Fig. 52: Component location and vacuum schematic — 1989 Montero, 2.6L, California

Fig. 53: Emission control vacuum hose routing — 1989 Montero

Fig. 54: Component location and vacuum schematic — 1987 Montero, Federal

Fig. 55: Component location and vacuum schematic — 1987 Montero, Federal, high altitude

Fig. 56: Component location and vacuum schematic — 1987 Montero, California

Fig. 57: Emission control vacuum hose routing — 1987 Montero

Fig. 58: Component location and vacuum schematic — 1988 Montero, Federal

Fig. 59: Emission control vacuum hose routing — 1990 Montero, 2.6L engine

Fig. 60: Component location and vacuum schematic — 1990–91 Montero, 3.0L engine

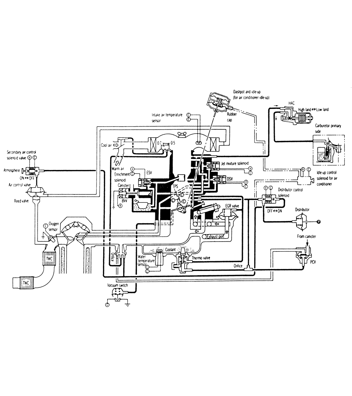
Fig. 61: Feedback carburetor system diagram — 1990 Montero, 2.6L engine, low-altitude vehicles

Fig. 62: Feedback carburetor system diagram — 1990 Montero, 2.6L engine, high-altitude vehicles

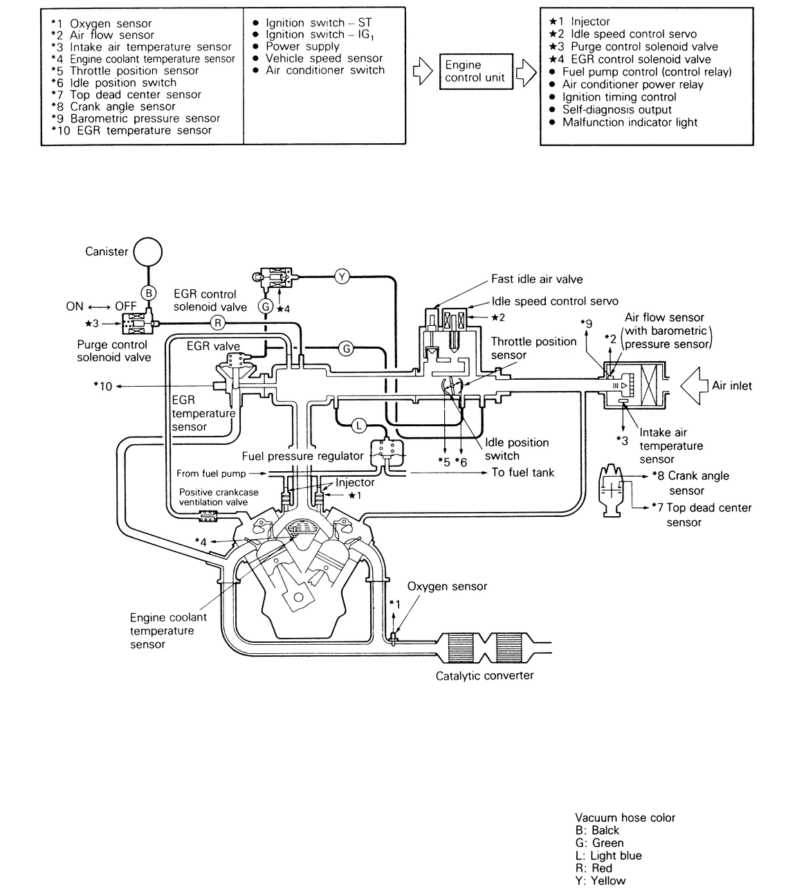
Fig. 63: Multi-port fuel injection system component location and vacuum schematic — 1990–91 Montero, 3.0L engine

Fig. 64: Multi-port fuel injection system component location and vacuum schematic — 1992 Montero, 3.0L (12 valve) engine

Fig. 65: Multi-port fuel injection system component location and vacuum schematic — 1993–94 Montero, 3.0L (12 valve) engine

Fig. 66: Multi-port fuel injection system component location and vacuum schematic — 1995 Montero, 3.0L (24 valve) engine, Federal

Fig. 67: Multi-port fuel injection system component location and vacuum schematic — 1995 Montero, 3.0L (24 valve) engine, California

Fig. 68: Multi-port fuel injection system component location and vacuum schematic — 1994–95 Montero, 3.5L DOHC engine, Federal and 1994 California

Fig. 69: Multi-port fuel injection system component location and vacuum schematic — 1995 Montero, 3.5L DOHC engine, California

Fig. 70: Component location diagram — 1995 Montero, 3.0L (24 valve) engine

Fig. 71: Component location diagram — 1995 Montero, 3.0L (24 valve) engine

Fig. 72: Component location diagram — 1995 Montero, 3.0L (24 valve) engine

Fig. 73: Component location diagram — 1994–95 Montero, 3.5L DOHC engine

Fig. 74: Component location diagram — 1994–95 Montero, 3.5L DOHC engine

Fig. 75: Component location diagram — 1994–95 Montero, 3.5L DOHC engine

Fig. 76: Component location diagram — 1994–95 Montero, 3.5L DOHC engine

Fig. 77: Emission control system vacuum schematic — 1993–95 Montero, 3.0L engine, Federal and 1993–94, California

Fig. 78: Emission control vacuum hose routing — 1995 Montero, 3.0L engine, California

Fig. 79: Emission control vacuum hose routing — 1994 Montero, 3.5L DOHC engine

Fig. 80: Emission control vacuum hose routing — 1995 Montero, 3.5L DOHC engine

Fig. 81: Purge control system vacuum hose routing — 1992 Montero, 3.0L engine

Fig. 82: Purge control system vacuum hose routing — 1993–95 Montero, 3.0L and 3.5L engines, Federal and 1993–94 Montero, 3.0L engine, California

Fig. 83: Purge control system vacuum hose routing — 1995 Montero, 3.0L engine, California

Previous Next