Previous Next

Secondary Air Supply System

OPERATION

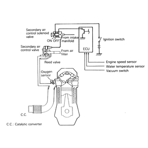
The 2.0L and 2.6L engines use a second system to supply fresh air into the exhaust stream. This extra air is rich with oxygen and enhances the conversion process within the catalytic converter. At certain times, the exhaust system pressure is less than the pressure in the secondary air supply system. This is due to the natural power pulses of an engine. When the exhaust pressure is low, the higher pressure of the system pushes the reed open and admits fresh air into the exhaust stream. As the high pressure exhaust pulse passes the reed valve, the high pressure stops the fresh air from entering the exhaust stream and closes the valve itself. The fresh air may be either from the air cleaner or a separate intake system containing its own air cleaner. The entire system is controlled by the secondary air control solenoid, an electrically operated vacuum switch capable of disabling the system when it is not needed.

Fig. 1: A diagram of a common secondary air supply system — 2.0L and 2.6L engines

Previous Next