Previous Next

OVERHAUL NOTES

Generally, when a carburetor requires major service, a rebuilt one is purchased on an exchange basis, or a kit may be bought for overhauling the carburetor

The kit contains the necessary parts which varies on the kit type and some form of instructions for carburetor rebuilding. The instructions may vary from a simple exploded view to detailed step-by-step rebuilding instructions. Unless you are familiar with carburetor overhaul, the latter should be used.

There are some general overhaul procedures which should always be observed:

Efficient carburetion depends greatly on careful cleaning and inspection during overhaul since dirt, gum, water, or varnish in or on the carburetor parts are often responsible for poor performance.

Overhaul your carburetor in a clean, dust-free area. Carefully disassemble the carburetor, referring often to the exploded views. Keep all similar and look-alike parts segregated during disassembly and cleaning to avoid accidental interchange during assembly. Make a note of all jet sizes.

When the carburetor is disassembled, wash all parts (except diaphragms, electric choke units, pump plunger, and any other plastic, leather, fiber, or rubber parts) in clean carburetor solvent. Do not leave parts in the solvent any longer than is necessary to sufficiently loosen the deposits. Excessive cleaning may remove the special finish from the float bowl and choke valve bodies, leaving these parts unfit for service. Rinse all parts in clean solvent and blow them dry with compressed air or allow them to air dry. Wipe clean all cork, plastic, leather, and fiber parts with a clean, lint-free cloth.

Blow out all passages and jets with compressed air and be sure that there are no restrictions or blockages. Never use wire or similar tools to clean jets, fuel passages, or air bleeds. Clean all jets and valves separately to avoid accidental interchange.

Check all parts for wear or damage. If wear or damage is found, replace the defective parts. Especially check the following:

  1. Check the float needle and seat for wear. If wear is found, replace the complete assembly.
  2. Check the float hinge pin for wear and the float(s) for dents or distortion. Replace the float if fuel has leaked into it.
  3. Check the throttle and choke shaft bores for wear or an out-of-round condition. Damage or wear to the throttle arm, shaft, or shaft bore will often require replacement of the throttle body. These parts require a close tolerance. Wear may allow air leakage, which could affect starting and idling.

    NOTE: Throttle shafts and bushings are usually not included in overhaul kits. They can be usually purchased separately.

  4. Inspect the idle mixture adjusting needles for burrs or grooves. Any such condition requires replacement of the needle, since you will not be able to obtain a satisfactory idle.
  5. Test the accelerator pump check valves. They should pass air one way but not the other. Test for proper seating by blowing and sucking on the valve. Replace the valve if necessary. If the valve is satisfactory, wash the valve again to remove breath moisture.
  6. Check the bowl cover for warped surfaces with a straightedge.
  7. Closely inspect the valves and seats for wear and damage, replacing as necessary.
  8. After the carburetor is assembled, check the choke valve for freedom of operation.

    Carburetor overhaul kits are recommended for each overhaul. These kits contain all gaskets and new parts to replace those that deteriorate most rapidly. Failure to replace all parts supplied with the kit (especially gaskets) can result in poor performance later.

    Most carburetor manufacturers supply overhaul kits of three basic types: minor repair, major repair, and gasket kits. Basically, they contain the following:

    Minor Repair Kits:

    Major Repair Kits:

    Gasket Kits:

    After cleaning and checking all components, reassemble the carburetor, using new parts and referring to the exploded view. When reassembling, make sure that all screws and jets are tight in their seats, but do not overtighten, as the tips will be distorted. Tighten all screws gradually, in rotation. Do not tighten needle valves into their seats. Uneven jetting will result. Always use new gaskets. Be sure to adjust the float level when reassembling.

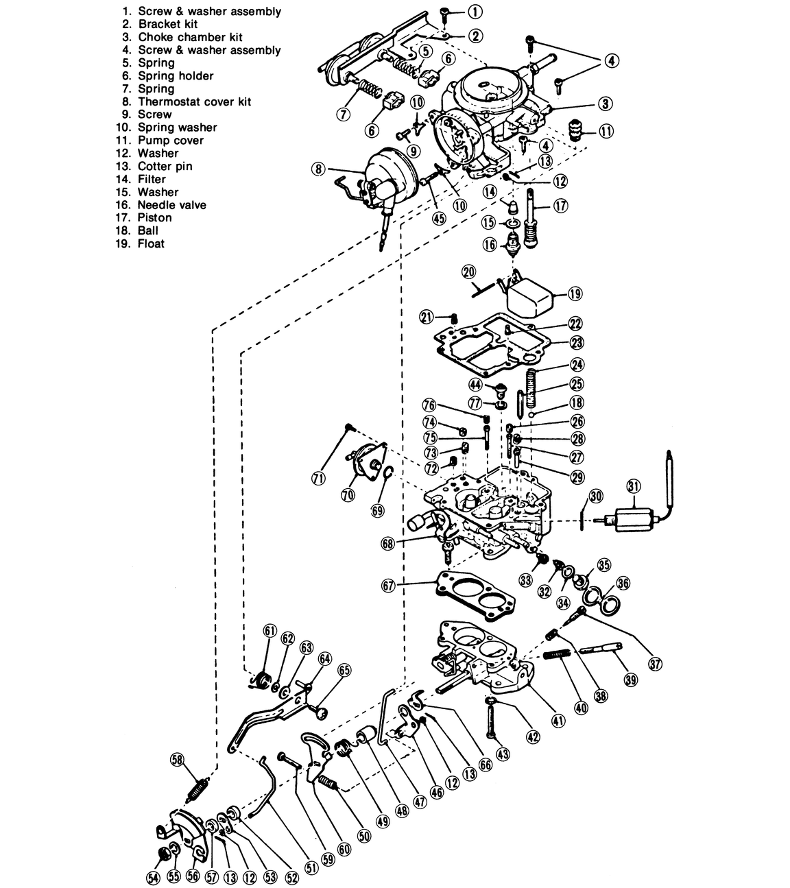
    Fig. 1: Exploded view ff–1 and 1300G carburetor

    Fig. 2: Exploded view 1972–73 GL and DL carburetor

    Fig. 3: 1974 carburetor (1975–79 differs in jet size only)

    Fig. 4: 1980 DCP306–1, DCP306–3, DCP306–4 and DCP306–5 carburetors

    Fig. 5: Components, 1980 DCP306–1, DCP306–3, DCP306–4 and DCP306–5 carburetors

    Fig. 6: DCJ306–15 carburetor used in 1980

    Fig. 7: Components, DCJ306–15 carburetor used in 1980

    Fig. 8: 1983–84 Hitachi carburetor

    Fig. 9: Components, 1983–84 Hitachi carburetor

    Fig. 10: 1983–84 Carter–Weber carburetor

    Fig. 11: Components, 1983–84 Carter–Weber carburetor

    CARUERTOR JET SPECIFICATIONS

Previous Next