Previous Next

Rocker Shafts

REMOVAL & INSTALLATION

NOTE: The OHC engines DO NOT use a rocker arm shaft. The valve rocker simply floats between the valve stem and the hydraulic lifter, and the center of the valve rocker rides against the camshaft.

1.2L Engine

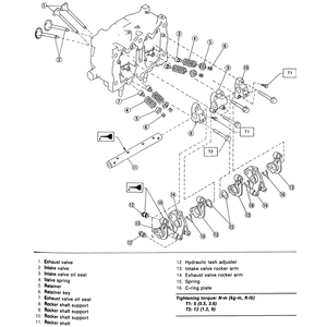
Fig. 1: Cylinder head and rocker assembly — 1.2L engine

  1. Disconnect the negative battery cable.
  2. Disconnect the PCV hose from the rocker arm cover.
  3. Remove the rocker arm cover mounting bolts and lift off the rocker arm cover.
  4. Remove the rocker shaft mounting bolt.
  5. Before removing the shaft, note the positions of the rocker arms and spring washers.
  6. Remove the rocker arm shaft slowly. Remove each component as it clears the shaft. Line the parts up in order as they are removed.

    To install:

    NOTE: Coat each component with clean engine oil as it is installed.

  7. Install the individual components one at a time while slowly sliding the rocker arm shaft into the shaft carrier. Make sure the hole in the rocker shaft is lined up with the bolt hole in the center of the carrier.
  8. Install the rocker shaft bolt. Tighten the bolt to 8–11 ft. lbs. (10–14 Nm).
  9. Adjust the valve lash. Refer to the procedure in Section 1. Attach all remaining components then start the engine and listen for any rocker noise or leaking.
1.6L, 1.8L and 2.7L Engines

These engines are not equipped with rocker shaft assemblies. Instead, the rocker arm is driven directly by the camshaft.

Refer to the Camshaft removal and installation procedure in this section for details.

2.2L Engine

Fig. 2: Cylinder head and rocker assembly — 2.2L engine

Fig. 3: Valve rocker bolt loosening/tightening sequence — 2.2L engine

Fig. 4: Loosen and remove the bolts in numerical order

Fig. 5: Remove the rocker shaft and components from the engine as an assembly

  1. Disconnect the PCV hose and remove the rocker cover.
  2. Remove the valve rocker assembly by removing bolts 2 through 4 in numerical sequence.
  3. Loosen bolt 1, but leave it engaged to retain the valve rocker assembly.
  4. Remove bolts 5 through 8, taking care not to gouge the dowel pin.
  5. Remove the valve rocker assembly.
  6. Place the valve rocker assembly with the air vent on the rocker arm facing upward into clean engine oil until ready to install. This is done to prevent damaging the hydraulic lash adjuster.

    To install:

  7. Install the valve rocker assembly on the cylinder head.
  8. Temporarily tighten bolts 1 through 4 equally.

    NOTE: Do not allow the valve rocker assembly to gouge the dowel pins.

  9. Tighten bolts 5 through 8 to 9 ft. lbs. (12 Nm).
  10. Tighten bolts 1 through 4 to 9 ft. lbs. (12 Nm).
  11. Install the rocker cover and connect the PCV hose.
2.5L and 3.3L Engines

These engines are not equipped with either rocker shafts or rocker arms. Instead, the camshaft drives the opening and closing of the individual valves.

Previous Next