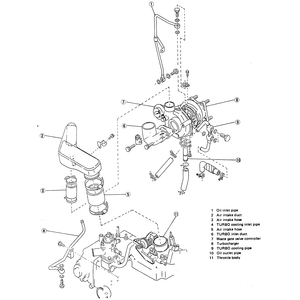
| Fig. 1: Turbocharger assembly
|
WARNING
Do not allow dirt to enter either the inlet or outlet openings of the turbocharger,
or the unit may be damaged at start-up.
- Loosen the clamps and remove the air intake duct from the airflow meter
(throttle body) and the turbocharger assembly.
- Disconnect the vacuum lines from the waste gate valve controller.
- Place a suitable drain pan beneath the turbo assembly. Loosen and remove
the cooling and oil lines from the turbocharger.
- Remove the mounting bolts from the turbocharger exhaust outlet. Separate
the pipe from the turbocharger.
- Remove the turbocharger.
- Remove the sealing gaskets, and clean all gasket mating surfaces.
To install:
- Using new gaskets, install the turbocharger on the exhaust manifold. Tighten
the turbocharger mounting bolts to 18–25 ft. lbs. (25–34 Nm) alternately
and evenly.
- Install the oil and cooling lines. Tighten the oil line banjo bolt to 11–13
ft. lbs. (15–18 Nm) and the cooling line banjo bolt to 16–18 ft.
lbs. (21–24 Nm).
- Connect the vacuum line to the waste gate valve controller.
- Install the air intake duct assembly.
WARNING
Do not run the engine at a high RPM during the first few minutes of operation
after servicing. This may damage the turbocharger, as the pressurized oil
may not reach the turbocharger immediately.
- Start the engine and allow it to reach operating temperature. Check for
leaks. Test drive the vehicle.
- Disconnect the negative battery cable.
- Drain the cooling system into a suitable container.
- Remove the air cleaner.
- Disconnect the airflow meter-to-turbocharger inlet clamp, then remove the
air intake duct. Cover the airflow meter and turbocharger openings.
- Loosen the turbocharger-to-air outlet hose clamp and the throttle body inlet
to air inlet hose clamp. Remove the turbocharger-to-throttle body hose. Plug
all of the openings.
- Remove the turbocharger-to-center exhaust pipe nuts and the front exhaust
pipe to turbocharger nuts.
- Disconnect and plug the coolant lines.
- Remove the oil feed line to turbocharger bolt and disconnect the turbocharger
to oil return hose clamp and the return hose.
- Remove the turbocharger from the exhaust manifold.
NOTE: When removing the turbocharger from the vehicle,
disconnect the oil return hose.
To install:
- Connect the oil return hose and mount the turbocharger to the exhaust manifold
using new nuts.
- Connect the oil return and feed hose to the hose to the turbocharger with
new gaskets. Tighten the bolts as follows:
- Union bolts — 17 ft. lbs. (24 Nm)
- Clamp bolt — 48 inch lbs. (5 Nm)
- Connect the coolant lines.
- Attach all remaining components and tighten to specifications.
- Fill and bleed the cooling system. Start the engine and check for leaks.
