CAUTION
Properly disarm the air bag on vehicles equipped with the SRS system. Failure
to do so can cause serious injury.
| Fig. 1: Heater core and case assembly — Justy
|
- Disconnect the negative battery cable.
- Drain the cooling system into a suitable container.
- Tag and disconnect the heater hoses from the heater core assembly.
- Remove the right and left defroster ducts from the defroster nozzles.
Pull the ducts from the heater case.
- Disconnect the electrical wires from the fan switch and the blower motor.
- Disconnect the air mix cable from the heater unit. Disconnect the mode
cable from the heater unit. Tag each cable for identification before removing.
- Remove the bolts that retain the heater unit to the instrument panel assembly.
- Remove the glove box assembly for additional working space.
- Disconnect the inside/outside air control cable from the blower assembly.
- Remove the instrument panel assembly. Refer to Section 10 for removal
and installation steps.
- Remove the heater unit retaining bolts. Remove the heater unit from the
vehicle.
- Remove the heater core cushion. Loosen the heater core holder and remove.
Pull the heater core from the mounting and remove from the heater case.
- Installation is the reverse of removal. Secure all components accordingly.
- Connect the mode cable and air mix cables to the heater unit.
- Refill the cooling system. Connect the negative battery cable.
- Check for coolant leaks from the heater core and hose connections.
- Disconnect the negative battery cable.
- Drain the coolant into a suitable container.
- Tag and disconnect the heater hoses from the heater core pipes under the
hood.
- Remove the instrument panel from the vehicle. Refer to Section 10 for
removal and installation steps.
- Remove the steering support beam.
- Disconnect the door motor joint harnesses.
- Remove the breather hose.
- Discharge the A/C system using an approved recovery/recycling machine.
- Remove the evaporator.
- Remove the heater unit.
- Remove the heater core from the case.
- Installation is the reverse of removal. Tighten each component securely.
- Recharge the A/C system using an approved recovery/recycling machine.
- Refill the cooling system.
- Connect the negative battery cable.
- Check for coolant leaks from the core and hose connections.
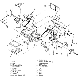
| Fig. 2: Heater core and case assembly — Loyale,
XT and Legacy
|
CAUTION
Properly disarm the air bag on vehicles equipped with the SRS system. Failure
to do so can cause serious injury.
- Disconnect the negative battery cable.
- Drain the engine coolant into a suitable container.
CAUTION
When draining the coolant, keep in mind that cats and dogs are attracted
to ethylene glycol antifreeze, and could drink any that is left in an
uncovered container or in puddles on the ground. This will prove fatal
in sufficient quantity. Always drain the coolant into a sealable container.
Coolant should be reused unless it is contaminated or several years old.
- Tag and disconnect the heater hoses in the engine compartment.
- Remove the rubber grommet around the heater hoses which run through the
kick panel inside the car. The location is slightly above, and to the right
of the accelerator pedal.
- Remove the radio box or center console assembly.
- Remove the instrument panel. Refer to Section 10 for removal and installation
steps.
- If the car has a luggage shelf, remove it.
- Disconnect the heater control cables and fan motor harness.
- Disconnect the duct between the heater unit and blower assembly. Remove
the right and left defroster nozzles.
- Remove the mounting bolts at the top sides of the heater unit. Lift the
heater core up and out on the heater unit.
- Remove the heater core retaining connectors and remove the heater core
from the mounting.
- Installation is the reverse of removal. Secure all components to specifications.
- Connect the fan motor harness and heater control cables.
- Fill the radiator with coolant. Connect the battery, start the engine
and check for leaks at the core and hose connections.
- If equipped, discharge the A/C system using an approved recovery/recycling
machine.
- Disconnect the negative battery cable.
- Drain the cooling system into a suitable container.
- Tag and disconnect the heater hoses from the firewall.
- Remove the center console box and cup holder.
- Remove the radio. Refer to the procedure in this section.
- Remove the drivers side lower instrument trim panel, then disconnect the
seat belt timer harness.
- Remove the glove box.
- Remove the bolts and lower the steering column.
- Remove the steering column covers.
- Remove the hood release handle.
- Set the temperature control switch to MAX. COLD, and mode selector switch
to the DEFROSTER position.
- Unfasten the following underdash connectors:
- 15-pin gray
- 5-pin natural
- 20-pin white
- 20-pin blue
- 12-pin black
- 8-pin natural
- 1-pin blue
- 6-pin black
- 20-pin natural
- Remove the instrument panel nuts and bolts then the defroster grilles.
- Pull the instrument panel outward carefully, disconnect the speedometer
cable from the instrument cluster and remove the instrument panel.
- Remove the steering support beam.
- Disconnect the discharge pipe, suction pipe and grommets from the evaporator.
Cap the hoses to prevent moisture from entering the system.
- Disconnect the harness and drain hose from the evaporator.
- Remove the mounting nut, bolt and evaporator.
- Remove the bolt, nuts and the heater unit.
- Separate the heater unit housing and remove the heater core.
- Install all the components in the reverse order of removal. Tighten the
components to specifications.
- Install the heater unit. Attach the retainer bolts, and tighten the
bolt and nuts to 6 ft. lbs. (8 Nm).
- Connect the heater hoses to the firewall.
- Connect the negative battery cable. Fill and bleed the cooling system.
- If equipped, evacuate and charge the A/C system using an approved recovery/recycling
machine.
- Check for coolant leaks at the core and hose connections.
- Disconnect the negative battery cable.
- Disarm the air bag, if equipped.
- Drain the engine coolant into a suitable container.
- In the engine compartment, tag and disconnect the heater hoses at the
firewall. Plug the openings to prevent spillage inside the vehicle.
- Remove the front side sill cover and disconnect the air bag connector
(AB9) and (AB10).
- Remove the shift knob, if equipped with a manual transaxle.
- Remove the center console assembly.
- Remove the front pillar lower trim panel from the body.
- Remove the trim panel that secures the hood release cable in place.
- Remove the trim cover below the steering column.
- Remove the instrument panel, disconnecting the speedometer cable and wire
harnesses. Refer to Section 10 for removal and installation steps.
- Remove the glove box and back panel assembly.
- Disconnect the blower motor harness.
- Remove the bolts and lower the steering column. Tag and disconnect the
necessary wire harnesses.
- Disconnect the temperature control cable from the link of the heater case.
- Remove ash tray, radio and temperature control unit from the dash.
- Disconnect the dashboard harness connectors.
- Remove the dashboard mounting bolts.
- Remove the front defroster grille and 2 mounting bolts.
- Remove the dashboard from the body. Refer to Section 10 for removal and
installation steps.
NOTE: When storing the removed dashboard, place in an
upright position on a workbench or floor.
- Remove the steering support beam.
- Properly evacuate the A/C refrigerant from the system using an approved
recovery/recycling machine.
- Disconnect the discharge pipe, suction pipe and grommets. Cap the openings
of the A/C pipes to prevent contamination of the system.
- Disconnect the harness from the evaporator.
- Disconnect the drain hose.
- Remove the evaporator unit mounting nut and bolt, remove the evaporator
unit.
- Remove the heater unit and separate the case halves. Remove the heater
core from the heater unit.
To install:
- Install the heater core into the heater unit. Connect the case halves.
Install the heater unit to the vehicle.
- Install the evaporator unit and secure.
- Connect the drain hose and the harness to the evaporator.
- Connect the grommets, suction pipe and discharge pipe to the evaporator.
Be sure to use new O-rings for the A/C connections
- Install the remaining components and secure them to specifications.
- Fill the cooling system with coolant. Properly charge the A/C system,
using an approved recovery/recycling machine.
- Run vehicle to normal operating temperature and check for leaks. Check
the heating and A/C system for proper operation.
- Disconnect the negative battery cable.
- Disarm the air bag.
- Drain the cooling system into a suitable container.
- Tag and disconnect the heater hoses from the heater core in the engine
compartment.
- Remove the center console box assembly.
- Remove the front pillar upper trim.
- Remove the radio grounding wire.
- Remove the remote controlled rearview mirror switch and internal bolt.
- Remove the lower trim cover by removing the clips and bolts.
- Disconnect the air bag harness at the harness spool.
- Remove the plastic trim caps from both ends of the instrument panel, and
remove the bolts.
- Remove, tag and disconnect the instrument panel switches.
- Unscrew and remove the visor. Disconnect the clock harness.
- Remove the combination switch assembly.
- Remove the glove box assembly.
- Disconnect the instrument and body harnesses, as well as the antenna lead.
- Cover the automatic transaxle select lever with cloth to avoid damage,
if equipped with an automatic transaxle.
- Remove the instrument panel by pulling it forward. Refer to Section 10
for removal and installation steps.
- Remove the steering support beam.
- Disconnect the door motor joint harnesses (mode, air mix door and sensor)
from the heater unit.
- Remove the aspirator hose.
- Remove the evaporator and heater unit. Extract the heater core from the
case.
- Install the heater core to the heater unit, and install the case assembly.
- Install the evaporator and the evaporator hose.
- Install the remaining components in the reverse order of removal.
- Connect the heater hoses.
- Fill the cooling system with coolant, check for leaks.
- Connect the negative battery cable.
