Previous Next

STEERING

Steering Wheel

REMOVAL & INSTALLATION

Justy

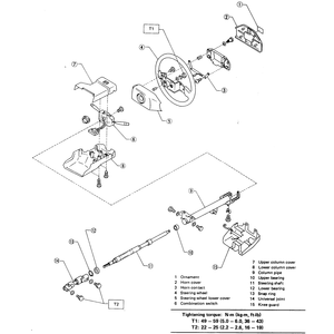
Fig. 1: Steering wheel and column components — Justy

  1. Disconnect the negative battery cable.
  2. Remove the steering wheel horn cover, by carefully prying the cover off.
  3. Disconnect the horn harness from the steering wheel.
  4. Matchmark the steering wheel to the steering shaft and remove the shaft nut.
  5. Using a steering wheel puller, remove the steering wheel.
  6. Installation is the reverse of removal. Secure the steering wheel mounting nut to 40 ft. lbs. (54 Nm).
Excpet Justy

Fig. 2: Remove the center pad retainer screws — Legacy without an air bag

Fig. 3: Disconnect the horn harness from the steering wheel

Fig. 4: Loosen and remove the steering wheel retainer nut

Fig. 5: Use a steering wheel puller to separate the steering wheel from the column shaft

Fig. 6: Lift the steering wheel off the shaft

CAUTION
The air bag system must be disarmed before removing the steering wheel. Failure to do so may cause accidental deployment.

  1. Disconnect the negative battery cable.

    CAUTION
    Wait at least 10 minutes after disarming the air bag to avoid accidental deployment.

  2. Disconnect the horn lead from the wiring harness, located beneath the instrument panel.
  3. On models without air bag, remove the horn pad by removing the retainer screws from the bottom of the wheel.
  4. On models with an air bag, working behind the steering wheel, remove the steering column covers. Use a Torx® bit and remove the air bag module retaining bolts.

    CAUTION
    Always carry an air bag assembly, with the bag and trim cover, away from your body. Store the assembly facing upward; never place the assembly face down on any surface.

  5. Disconnect the air bag module connector and remove the module from the steering wheel. Place the module face up on a flat surface.
  6. Matchmark the steering wheel and the column for installation.
  7. Remove the steering wheel retaining nut. Using a steering wheel puller tool, remove the steering wheel from the column.

    To install:

  8. Install the steering wheel on the column aligning the marks made during removal. Tighten the center nut to 22–29 ft. lbs. (29–39 Nm).

    NOTE: Do not hammer on the steering wheel or the steering column, as damage to the collapsible column could result.

  9. Install the horn pad or air bag assembly and the column covers.
  10. Connect all electrical leads.
  11. Connect the negative battery cable.

Previous Next