To Remove:
| Coolant Drain |
| Air Cleaner assembly |
| Power Steering Switch Connector |
| Power Steering Pipe Bracket |
NOTE: Do not disconnect the power steering hose.
| Power Steering Pump on Aprin |
| Emission Hose |
| Brake Booster Hose |
| Pressure Hose From Intake |
| Engine Harness Connectors |
| Coolant temp, Oil Pressure, Crank Position Sensors |
| Knock Sensor Connector |
| Camshaft Position Sensor |
| Ignition Coil Connector |
| Engine Harness From Bracket |
| Fuel Hoses |
CAUTION
Do not spill fuel. Catch fuel from hoses in a container or cloth.
| Intake Manifold Bolts |
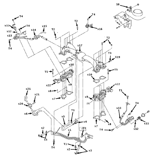
| Intake Exploded View |
| Intake Exploded View Callouts |
To Install:
NOTE: Always use new gaskets.
| Fuel Hoses |
| Coolant temp, Oil Pressure, Crank Position Sensors |
| Knock Sensor Connector |
| Camshaft Position Sensor |
| Ignition Coil Connector |
| Engine Harness From Bracket |
| Engine Harness Connectors |
| Brake Booster Hose |
| Emission Hose |
| Power Steering Pipe Bracket |