Previous Next

Gauges

Removal & Installation

To Remove:

CAUTION
Use gloves to avoid damage and getting fingerprints on the glass surface and meter surfaces.

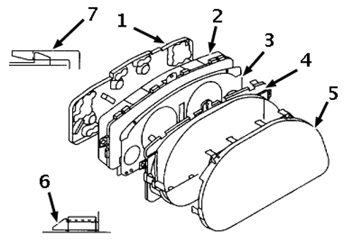
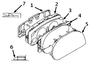
  1. Disengage claw (F) to remove case (B) from back cover (A)

  2. Disengage claw (G) to remove meter glass (E), reflector (D), and window plate (C) from inner case
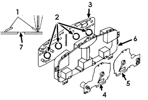
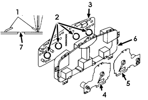
  3. Pull up claw (A) in portion (B) of printed circuit (C) with combination pliers. Push out speedometer assembly (D) and tachometer assembly (E) using hole (F)

  4. Pull up claw in the center of printed circuit (C), and remove printed circuit from case (G)

  5. Bulb Replacement

To Install:

  1. Install printed circuit (C) into case (G) and engage claw
  2. Engage claw (A) in portion (B) of printed circuit (C)
  3. Install speedometer assembly (D) and tachometer assembly (E) using hole (F)
  4. Install meter glass (E), reflector (D), and window plate (C) to inner case and engage claw (G)

  5. Install case (B) to back cover (A) and engage claw (F)

Previous Next