Honda 2001 Wiring diagrams78-1
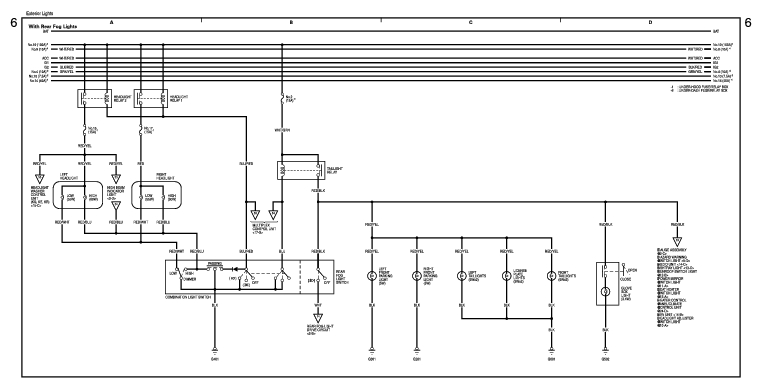
Exterior Lights (With Rear Fog Lights) 78-22
Previous Page Next Page



Exterior Lights (With Rear Fog Lights) 78-22




Honda 2001 Wiring diagrams78-1
Exterior Lights (With Rear Fog Lights) 78-22
Previous Page Next Page