Previous Next

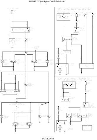
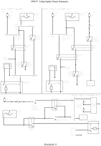
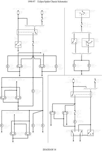
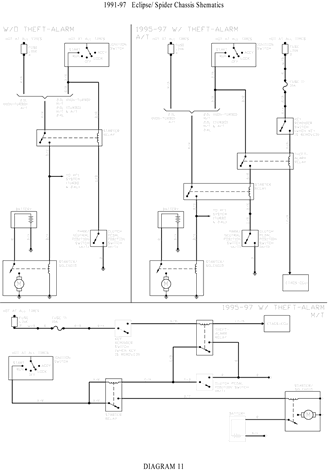
WIRING DIAGRAMS

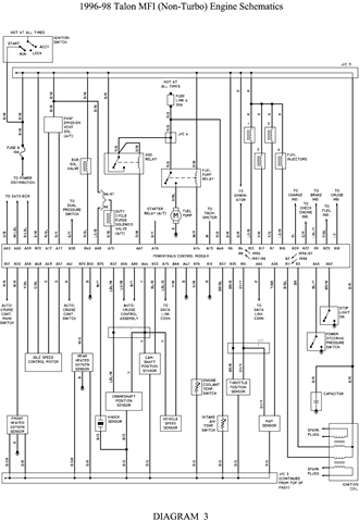
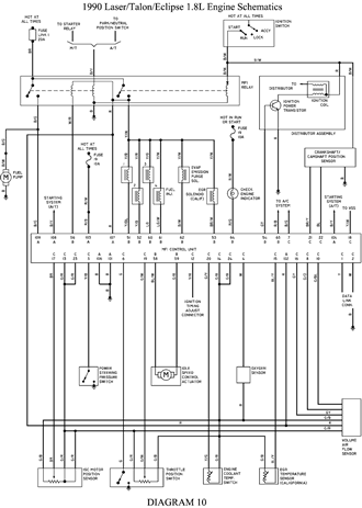
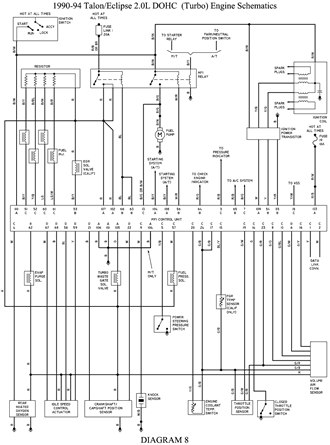
Fig. 1: Sample diagram — how to read and interpret wiring

 
Fig. 2: Common wiring diagram symbols

 

 

 

 

 

 

 

 

 

 

 

 

 

 

 

 

 

Previous Next