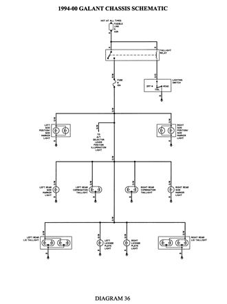
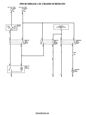
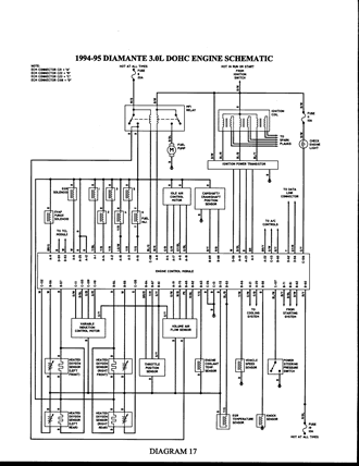
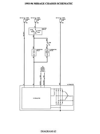
Previous Next

WIRING DIAGRAMS

Previous Next